Snapper GT2354 (1694370) - 54" Garden Tractor, 23 HP, Hydro Drive Steering Group - Power Steering with Tilt Ersatzteile
Steering Group - Power Steering with Tilt GT2354 (1694370) - Snapper 54" Garden Tractor, 23 HP, Hydro Drive

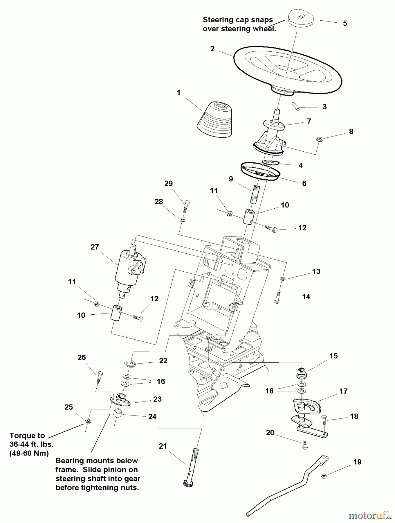
Hier finden Sie die Ersatzteilzeichnung für Snapper Rasen- und Gartentraktoren GT2354 (1694370) - Snapper 54" Garden Tractor, 23 HP, Hydro Drive Steering Group - Power Steering with Tilt. Wählen Sie das benötigte Ersatzteil aus der Ersatzteilliste Ihres Snapper Gerätes aus und bestellen Sie einfach online. Viele Snapper Ersatzteile halten wir ständig in unserem Lager für Sie bereit.


Qualitätsmanagement
Informieren Sie uns, wenn Sie einen Fehler gefunden haben.

