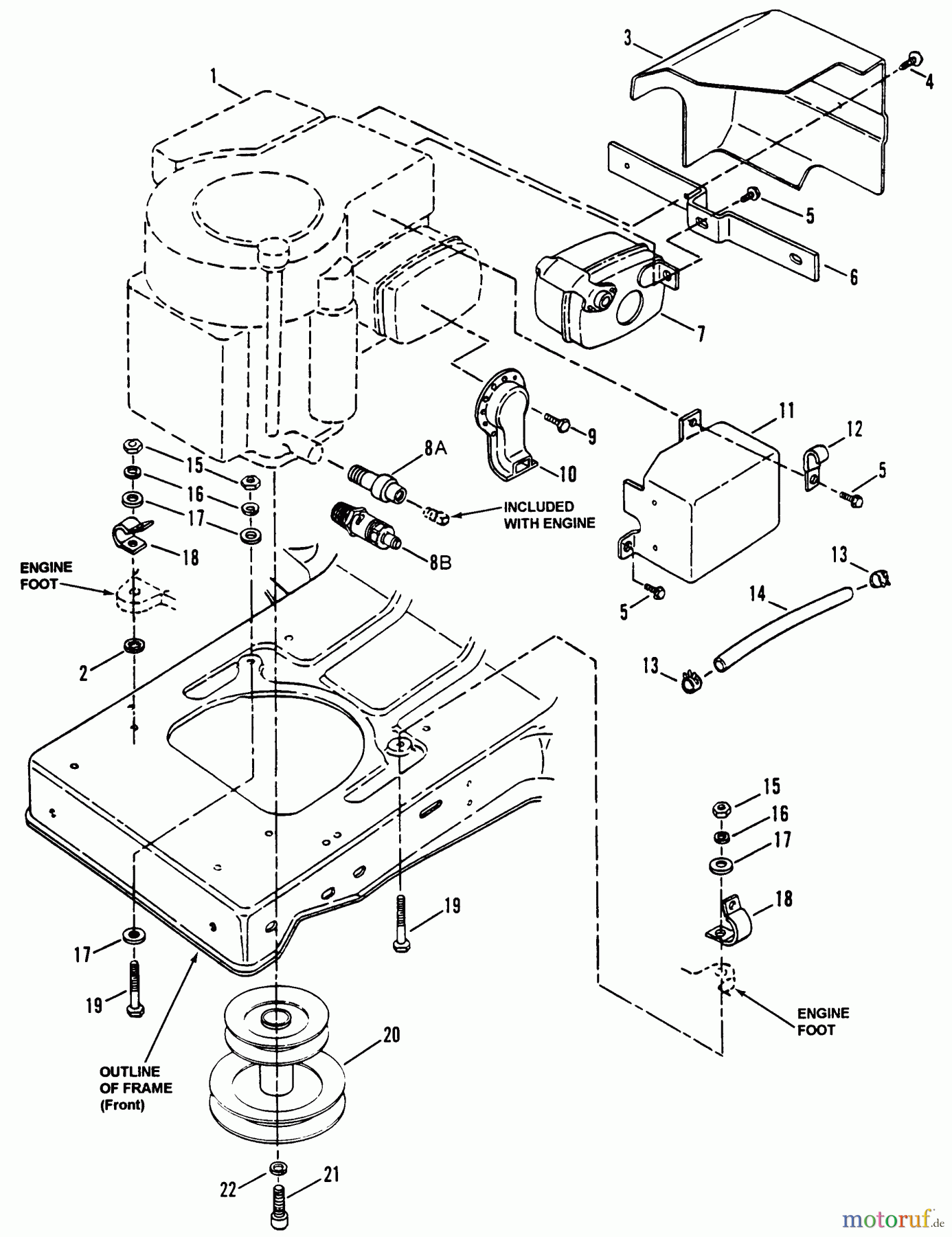
Snapper BH140H38BBV (82361) - 38" Lawn Tractor, 14 HP, Hydro Drive, Series B Engine Components Ersatzteile
Engine Components BH140H38BBV (82361) - Snapper 38" Lawn Tractor, 14 HP, Hydro Drive, Series B

Hier finden Sie die Ersatzteilzeichnung für Snapper Rasen- und Gartentraktoren BH140H38BBV (82361) - Snapper 38" Lawn Tractor, 14 HP, Hydro Drive, Series B Engine Components. Wählen Sie das benötigte Ersatzteil aus der Ersatzteilliste Ihres Snapper Gerätes aus und bestellen Sie einfach online. Viele Snapper Ersatzteile halten wir ständig in unserem Lager für Sie bereit.


Qualitätsmanagement
Informieren Sie uns, wenn Sie einen Fehler gefunden haben.

