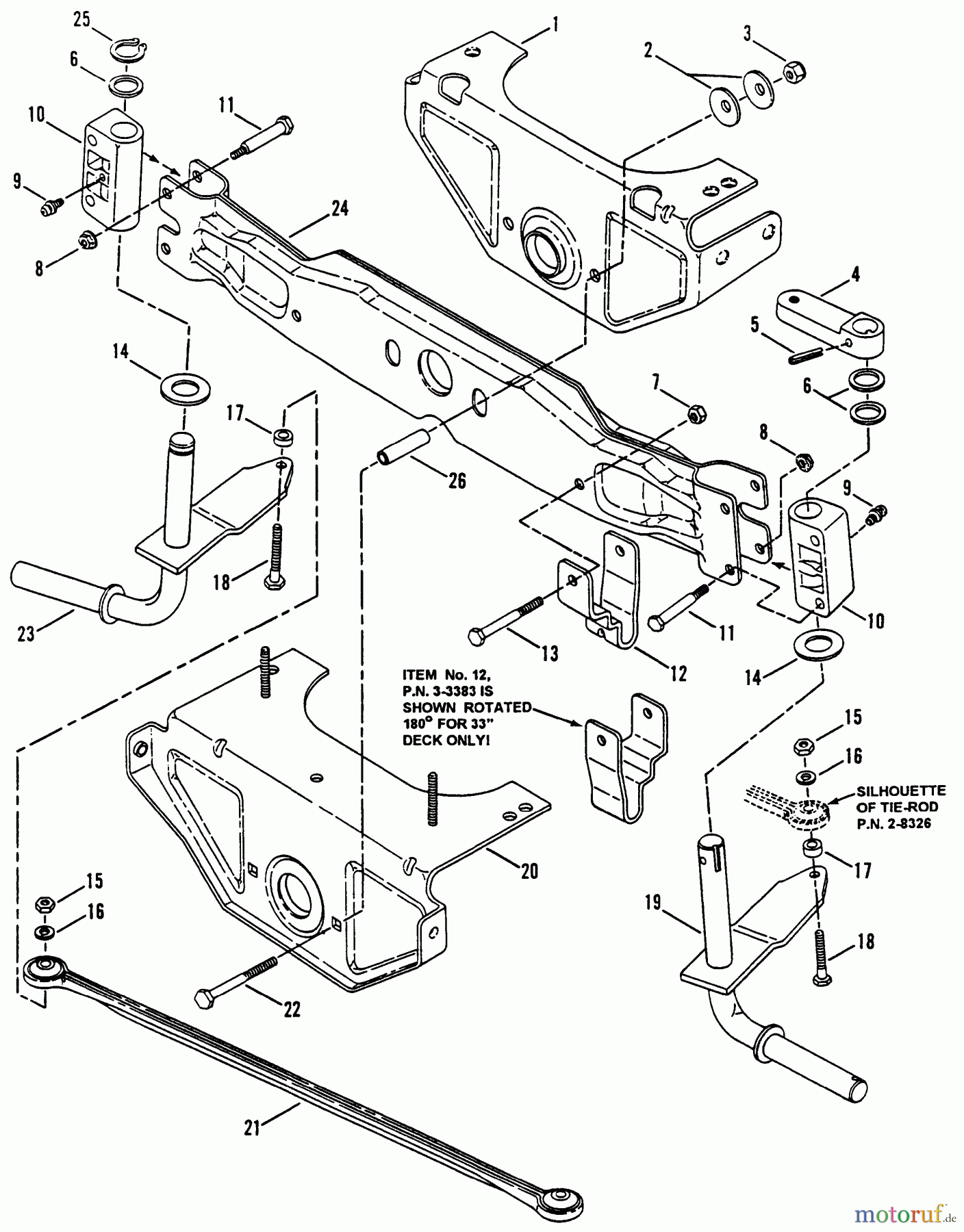
Snapper BH140H33BBV (80878) - 33" Lawn Tractor, 14 HP, Hydro Drive, Series B Front Axle Ersatzteile
Front Axle BH140H33BBV (80878) - Snapper 33" Lawn Tractor, 14 HP, Hydro Drive, Series B

Hier finden Sie die Ersatzteilzeichnung für Snapper Rasen- und Gartentraktoren BH140H33BBV (80878) - Snapper 33" Lawn Tractor, 14 HP, Hydro Drive, Series B Front Axle. Wählen Sie das benötigte Ersatzteil aus der Ersatzteilliste Ihres Snapper Gerätes aus und bestellen Sie einfach online. Viele Snapper Ersatzteile halten wir ständig in unserem Lager für Sie bereit.




