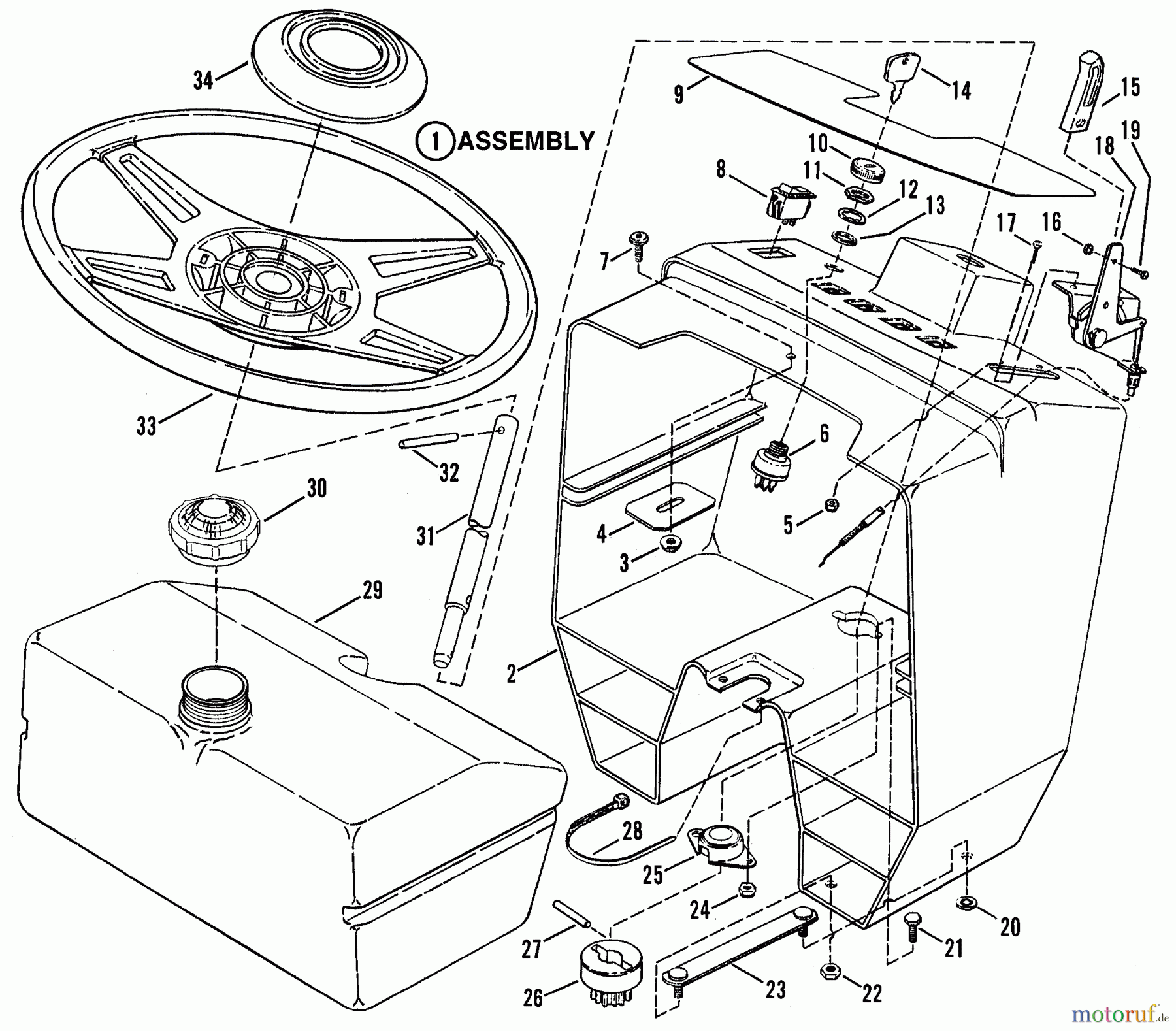
Snapper BH140G42ABV (80480) - 42" Lawn Tractor, 14 HP, Gear Drive, Series A Steering Wheel, Console, Fuel Tank Ersatzteile
Steering Wheel, Console, Fuel Tank BH140G42ABV (80480) - Snapper 42" Lawn Tractor, 14 HP, Gear Drive, Series A

Hier finden Sie die Ersatzteilzeichnung für Snapper Rasen- und Gartentraktoren BH140G42ABV (80480) - Snapper 42" Lawn Tractor, 14 HP, Gear Drive, Series A Steering Wheel, Console, Fuel Tank. Wählen Sie das benötigte Ersatzteil aus der Ersatzteilliste Ihres Snapper Gerätes aus und bestellen Sie einfach online. Viele Snapper Ersatzteile halten wir ständig in unserem Lager für Sie bereit.


Qualitätsmanagement
Informieren Sie uns, wenn Sie einen Fehler gefunden haben.

