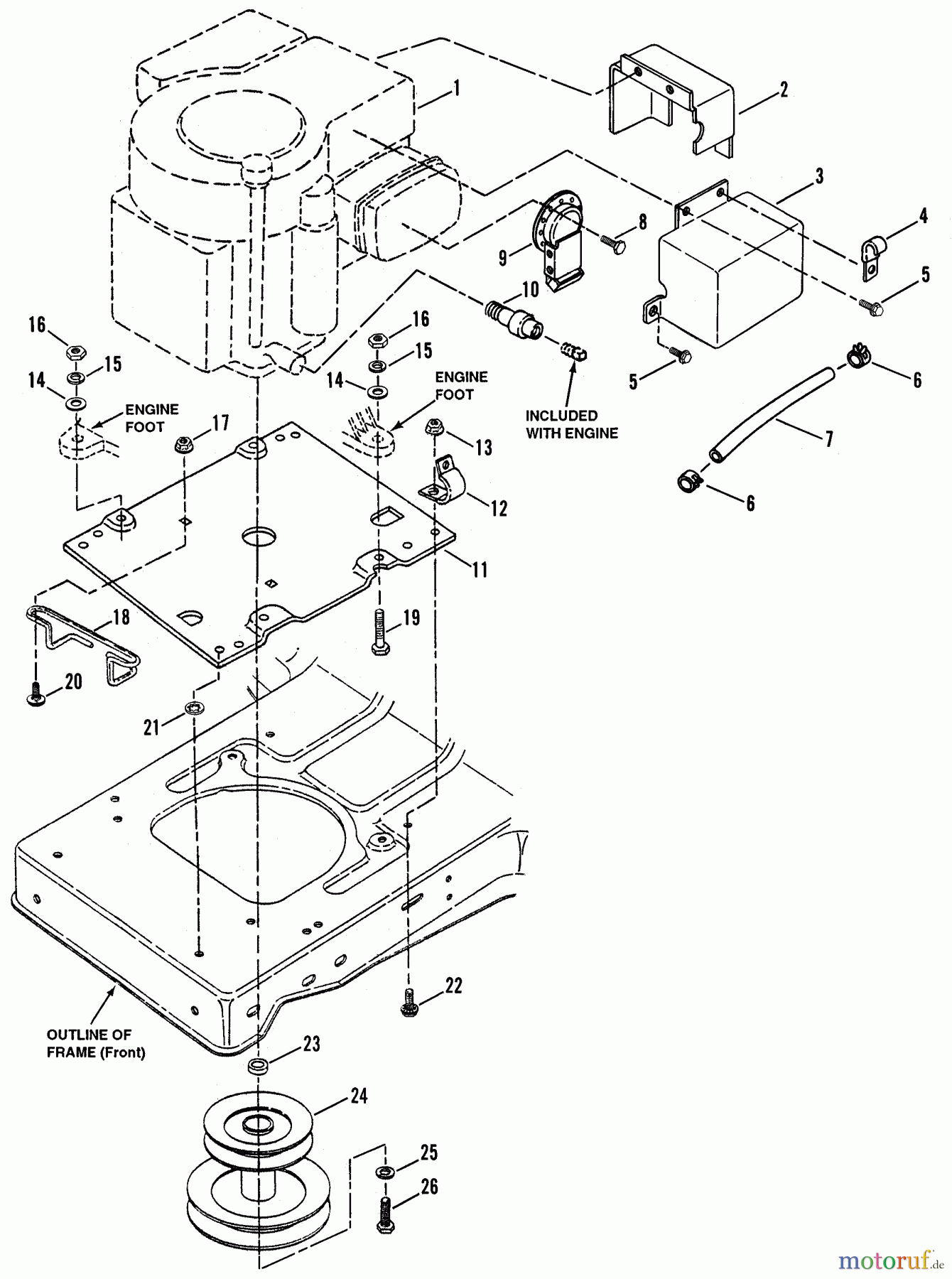
Snapper BH140G42ABV (80480) - 42" Lawn Tractor, 14 HP, Gear Drive, Series A Engine Components Ersatzteile
Engine Components BH140G42ABV (80480) - Snapper 42" Lawn Tractor, 14 HP, Gear Drive, Series A

Hier finden Sie die Ersatzteilzeichnung für Snapper Rasen- und Gartentraktoren BH140G42ABV (80480) - Snapper 42" Lawn Tractor, 14 HP, Gear Drive, Series A Engine Components. Wählen Sie das benötigte Ersatzteil aus der Ersatzteilliste Ihres Snapper Gerätes aus und bestellen Sie einfach online. Viele Snapper Ersatzteile halten wir ständig in unserem Lager für Sie bereit.




