Snapper 1855 (80828) - 18 HP Garden Tractor, Twin Cylinder Hydro Drive, MF Series Fuel Tank & Lines Ersatzteile
Fuel Tank & Lines 1855 (80828) - Snapper 18 HP Garden Tractor, Twin Cylinder Hydro Drive, MF Series

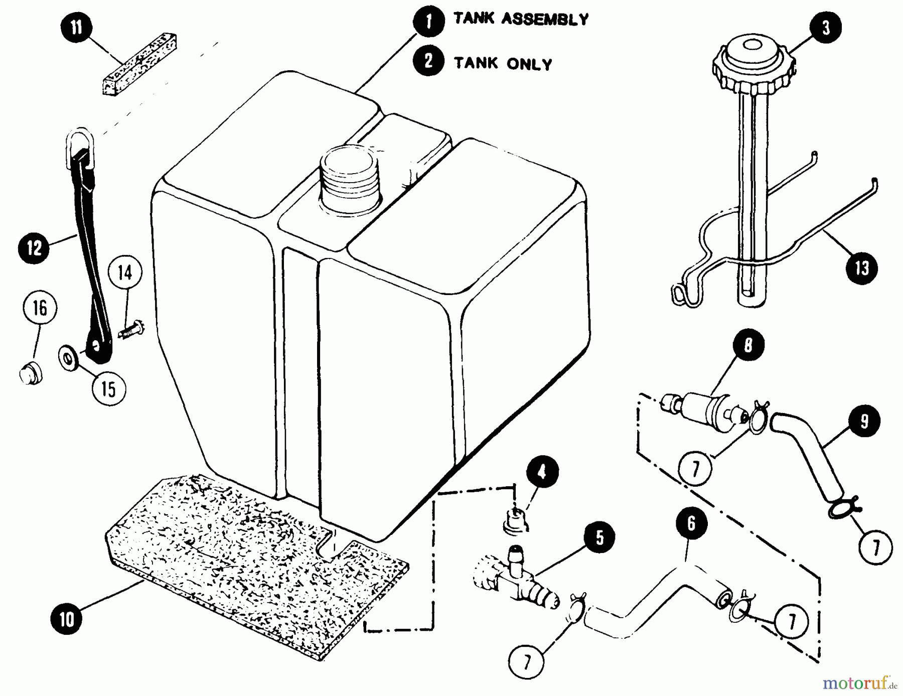
Hier finden Sie die Ersatzteilzeichnung für Snapper Rasen- und Gartentraktoren 1855 (80828) - Snapper 18 HP Garden Tractor, Twin Cylinder Hydro Drive, MF Series Fuel Tank & Lines. Wählen Sie das benötigte Ersatzteil aus der Ersatzteilliste Ihres Snapper Gerätes aus und bestellen Sie einfach online. Viele Snapper Ersatzteile halten wir ständig in unserem Lager für Sie bereit.
| BildNr | Artikel Nummer | Bezeichnung | |
| 1 | BS57271 | ||
| 2 | BS19838 | ||
| 3 | BS7019552 | ||
| 4 | BS1654930SM | VENTILDECKEL | |
| 5 | BS7018248 | ||
| 6 | BS7073240SM | (C) HOSE, FUEL 5 | |
| 7 | BS7029900SM | KLEMME 490 X .31 | |
| 8 | BS18247 | ||
| 9 | BS7073240 | ||
| 10 | BS19837 | ||
| 11 | BS7012917YP | STRIP, RUBBER | |
| 12 | BS18403 | ||
| 13 | BS7019553YP | CLAMP, FUEL TANK, MF1 | |
| 14 | BS90640 | ||
| 15 | BS7032037 | ||
| 16 | BS7090594YP | HLN, NYLON, #10C ZP | |


Qualitätsmanagement
Informieren Sie uns, wenn Sie einen Fehler gefunden haben.

