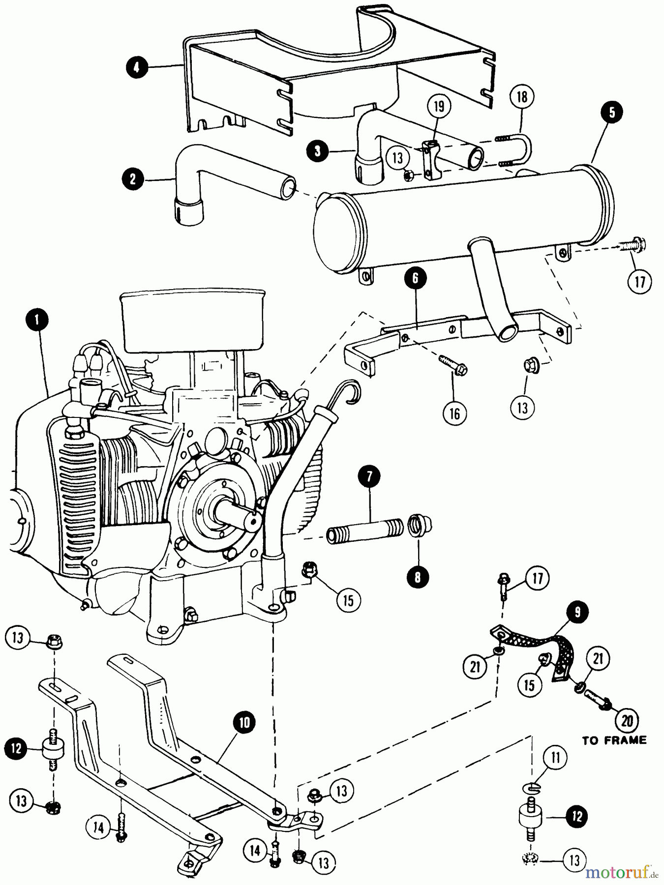
Snapper 1855 (80828) - 18 HP Garden Tractor, Twin Cylinder Hydro Drive, MF Series Engine & Mounting Ersatzteile
Engine & Mounting 1855 (80828) - Snapper 18 HP Garden Tractor, Twin Cylinder Hydro Drive, MF Series

Hier finden Sie die Ersatzteilzeichnung für Snapper Rasen- und Gartentraktoren 1855 (80828) - Snapper 18 HP Garden Tractor, Twin Cylinder Hydro Drive, MF Series Engine & Mounting. Wählen Sie das benötigte Ersatzteil aus der Ersatzteilliste Ihres Snapper Gerätes aus und bestellen Sie einfach online. Viele Snapper Ersatzteile halten wir ständig in unserem Lager für Sie bereit.


Qualitätsmanagement
Informieren Sie uns, wenn Sie einen Fehler gefunden haben.


