Snapper 1650 (80424) - 16 HP Garden Tractor, Hydro Drive, MF Series Seat, Rear Fender Ersatzteile
Seat, Rear Fender 1650 (80424) - Snapper 16 HP Garden Tractor, Hydro Drive, MF Series

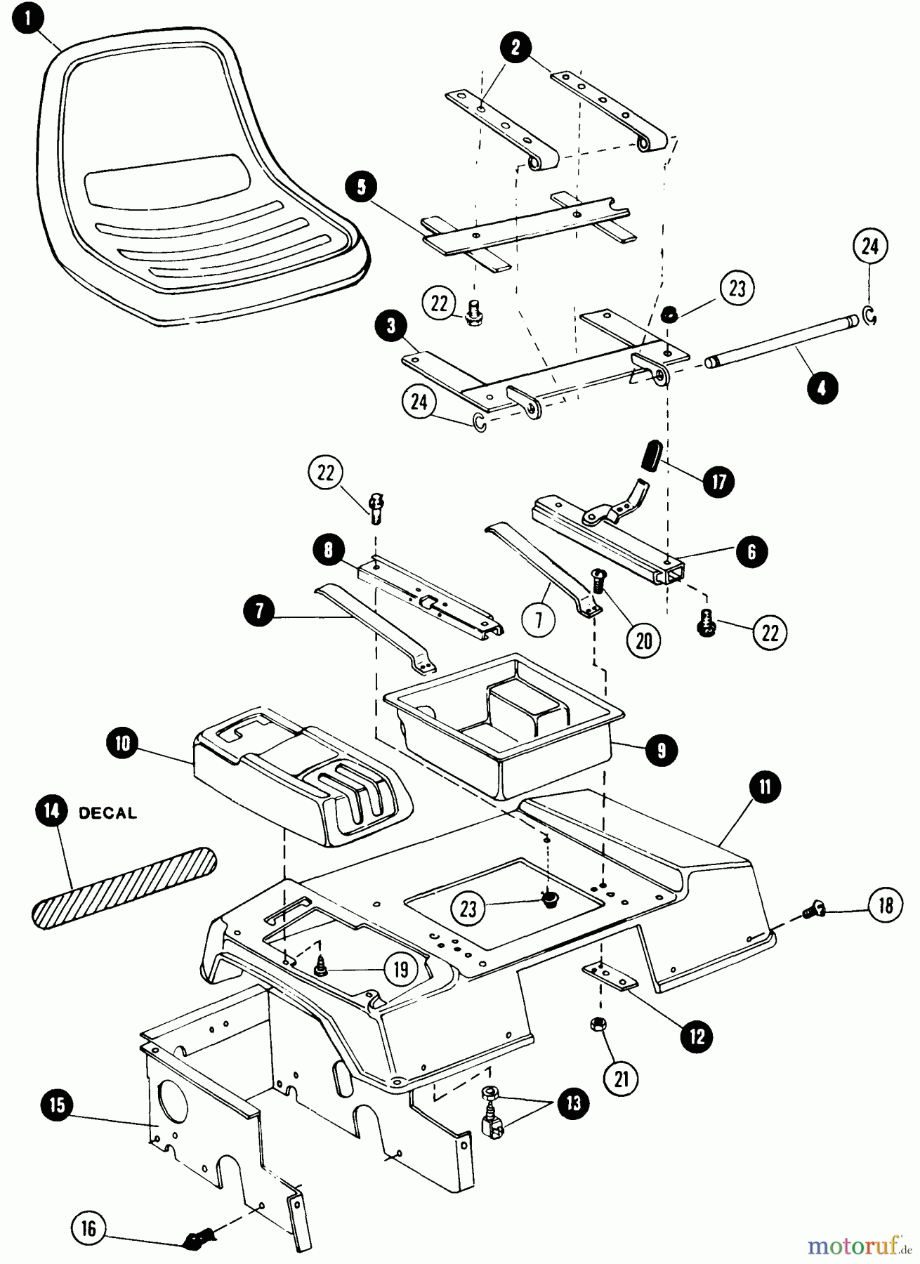
Hier finden Sie die Ersatzteilzeichnung für Snapper Rasen- und Gartentraktoren 1650 (80424) - Snapper 16 HP Garden Tractor, Hydro Drive, MF Series Seat, Rear Fender. Wählen Sie das benötigte Ersatzteil aus der Ersatzteilliste Ihres Snapper Gerätes aus und bestellen Sie einfach online. Viele Snapper Ersatzteile halten wir ständig in unserem Lager für Sie bereit.




