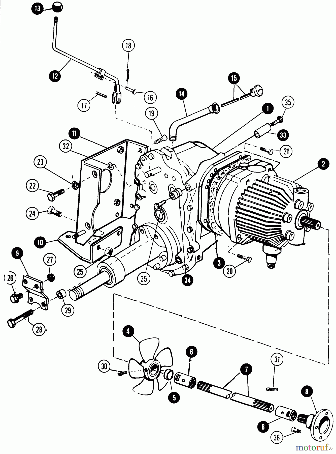
Snapper 1650 (80424) - 16 HP Garden Tractor, Hydro Drive, MF Series Rear Axle & Drive Shaft Ersatzteile
Rear Axle & Drive Shaft 1650 (80424) - Snapper 16 HP Garden Tractor, Hydro Drive, MF Series

Hier finden Sie die Ersatzteilzeichnung für Snapper Rasen- und Gartentraktoren 1650 (80424) - Snapper 16 HP Garden Tractor, Hydro Drive, MF Series Rear Axle & Drive Shaft. Wählen Sie das benötigte Ersatzteil aus der Ersatzteilliste Ihres Snapper Gerätes aus und bestellen Sie einfach online. Viele Snapper Ersatzteile halten wir ständig in unserem Lager für Sie bereit.



