Snapper 1650 (80424) - 16 HP Garden Tractor, Hydro Drive, MF Series 3-Point Hitch Ersatzteile
3-Point Hitch 1650 (80424) - Snapper 16 HP Garden Tractor, Hydro Drive, MF Series

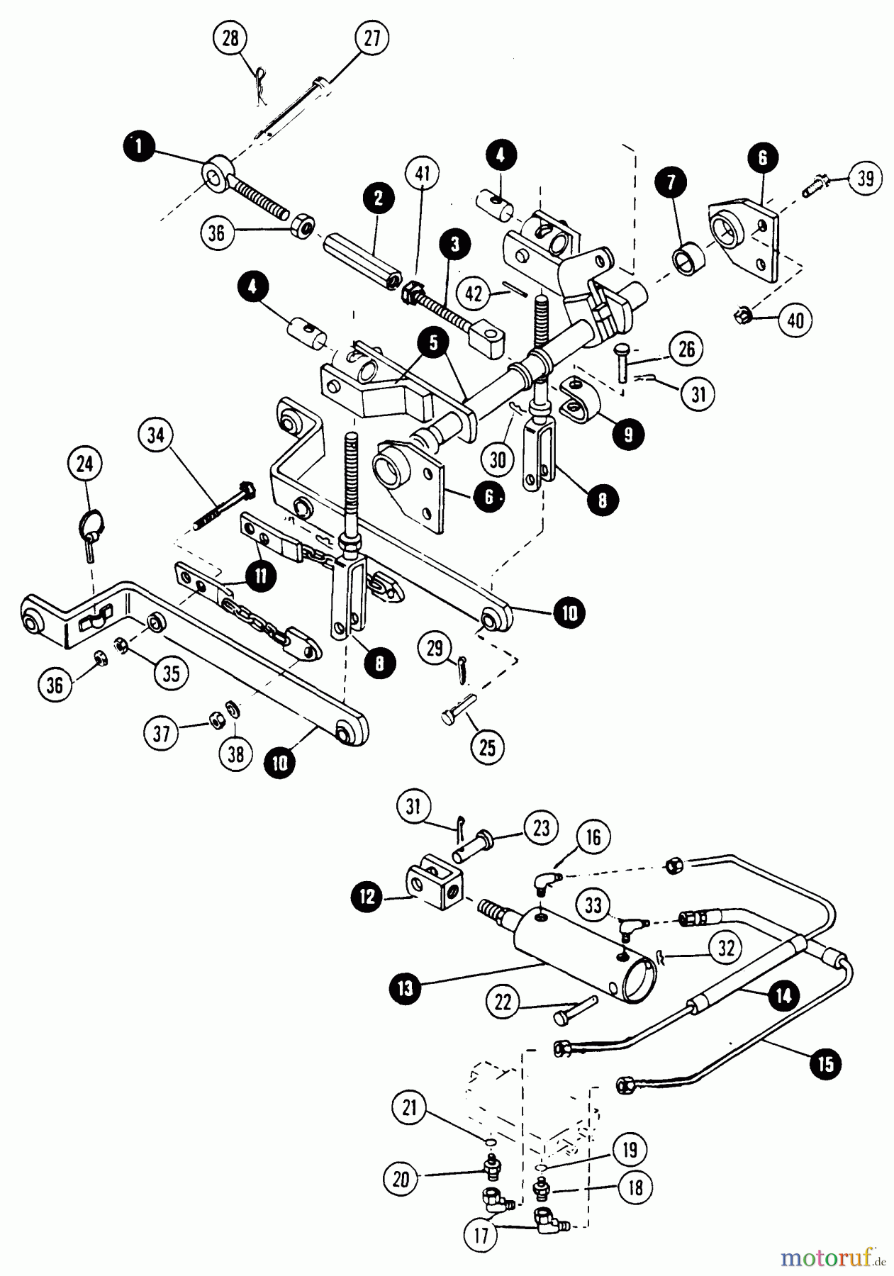
Hier finden Sie die Ersatzteilzeichnung für Snapper Rasen- und Gartentraktoren 1650 (80424) - Snapper 16 HP Garden Tractor, Hydro Drive, MF Series 3-Point Hitch. Wählen Sie das benötigte Ersatzteil aus der Ersatzteilliste Ihres Snapper Gerätes aus und bestellen Sie einfach online. Viele Snapper Ersatzteile halten wir ständig in unserem Lager für Sie bereit.
| BildNr | Artikel Nummer | Bezeichnung | |
| 1 | BS7049616YP | CLEVIS ASSY. | |
| 2 | BS27576 | ||
| 3 | BS49615 | ||
| 4 | BS27575 | ||
| 5 | BS49840 | ||
| 6 | BS57257 | ||
| 7 | BS12868 | ||
| 8 | BS49609 | ||
| 9 | BS7037866YP | STRAP | |
| 10 | BS49852 | ||
| 11 | BS49608 | ||
| 12 | BS27583 | ||
| 13 | BS7019611 | ||
| 14 | BS19891 | ||
| 15 | BS7019890YP | HOSE & TUBE ASSY. | |
| 16 | BS12754 | ||
| 17 | BS18365 | ||
| 18 | BS12773 | ||
| 19 | BS7013906 | ||
| 20 | BS12869 | ||
| 21 | BS13907 | ||
| 22 | BS12866 | ||
| 23 | BS7012859 | ||
| 24 | BS7012864YP | KLIK PIN ASSY. | |
| 25 | BS12861 | ||
| 26 | BS12860 | ||
| 27 | BS13774 | ||
| 28 | BS7091596YP | HAIR PIN, 0148 X 2.62 | |
| 29 | BS90649 | ||
| 30 | BS12863 | ||
| 31 | BS7091516SM | SPLINT, 5/32X1 YZ | |
| 32 | BS7012867YP | HAIR PIN, 2.56 | |
| 33 | BS18364 | ||
| 34 | BS7090684 | ||
| 35 | BS7090537YP | HN, 5/8C GR.A ZP | |
| 36 | BS90686 | ||
| 37 | BS703347 | MUTTER, 3/8-16 | |
| 38 | BS703878 | WASHER, FLAT | |
| 39 | BS7090622YP | HFLB, 1/2C X1-1/4 ZP | |
| 40 | BS703918 | NUT, HEX FLNG, 1/2-13 | |
| 41 | BS7090685YP | HJN, 5/8C LH ZP | |
| 42 | BS12862 | ||


Qualitätsmanagement
Informieren Sie uns, wenn Sie einen Fehler gefunden haben.

