Snapper 1600A (80124) - 16 HP Garden Tractor, Gear Drive, MF Series Transaxle Ersatzteile
Transaxle 1600A (80124) - Snapper 16 HP Garden Tractor, Gear Drive, MF Series

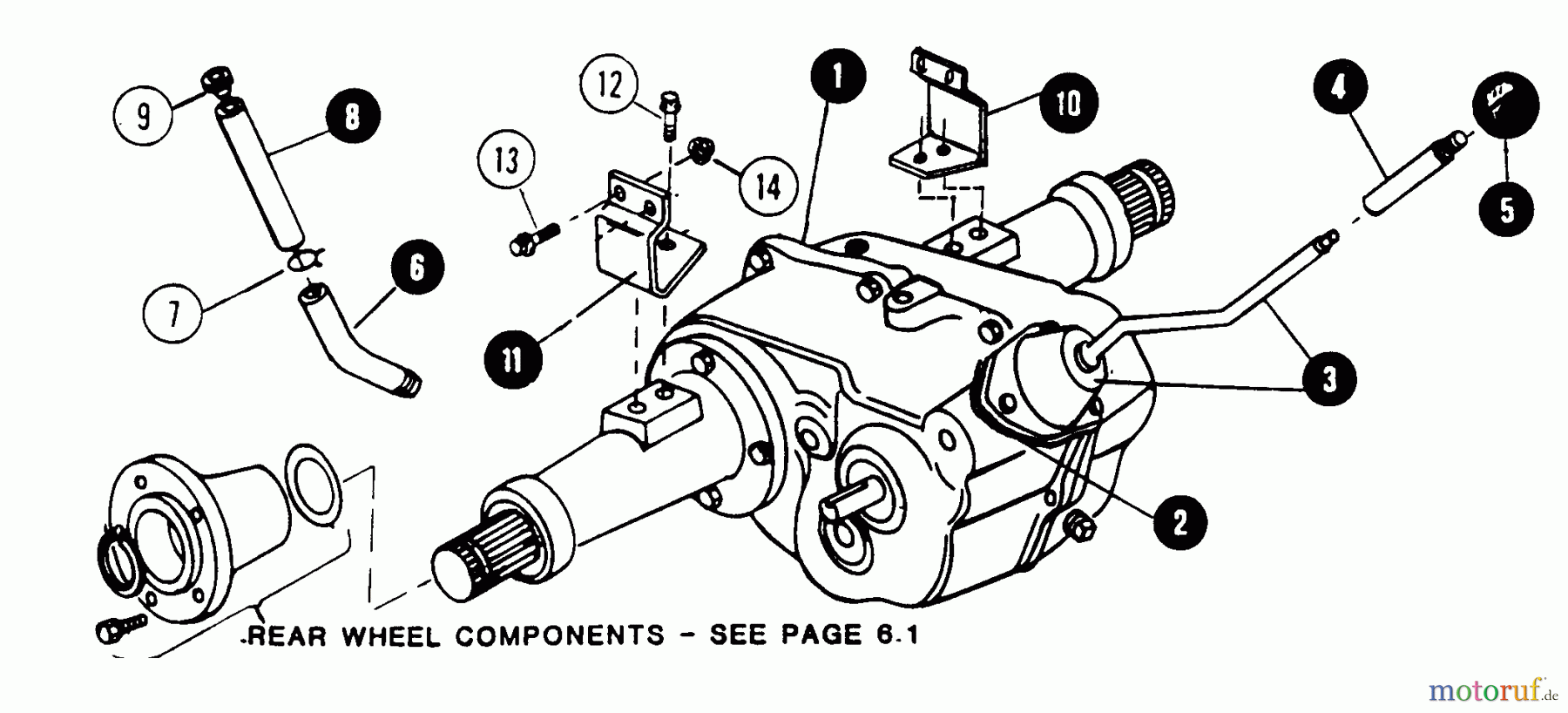
Hier finden Sie die Ersatzteilzeichnung für Snapper Rasen- und Gartentraktoren 1600A (80124) - Snapper 16 HP Garden Tractor, Gear Drive, MF Series Transaxle. Wählen Sie das benötigte Ersatzteil aus der Ersatzteilliste Ihres Snapper Gerätes aus und bestellen Sie einfach online. Viele Snapper Ersatzteile halten wir ständig in unserem Lager für Sie bereit.
| BildNr | Artikel Nummer | Bezeichnung | |
| 1 | BS7019833 | ||
| 2 | BS7013316 | ||
| 3 | BS12718 | ||
| 4 | BS21786 | ||
| 5 | BS7012659 | ||
| 6 | BS18285 | ||
| 7 | BS12711 | ||
| 8 | BS37789 | ||
| 9 | BS12662 | ||
| 10 | BS39635 | ||
| 11 | BS7039636YP | BRACKET | |
| 12 | BS7091588SM | BUNDSCHRAUBE, 3/8C X3/4 GR5 Y | |
| 13 | BS7090622YP | HFLB, 1/2C X1-1/4 ZP | |
| 14 | BS703918 | NUT, HEX FLNG, 1/2-13 | |


Qualitätsmanagement
Informieren Sie uns, wenn Sie einen Fehler gefunden haben.

