Snapper Z4102M - 41" Deck, Mid Mount ZTR, Series 2 41" Deck Assembly Ersatzteile
41" Deck Assembly Z4102M - Snapper 41" Deck, Mid Mount ZTR, Series 2

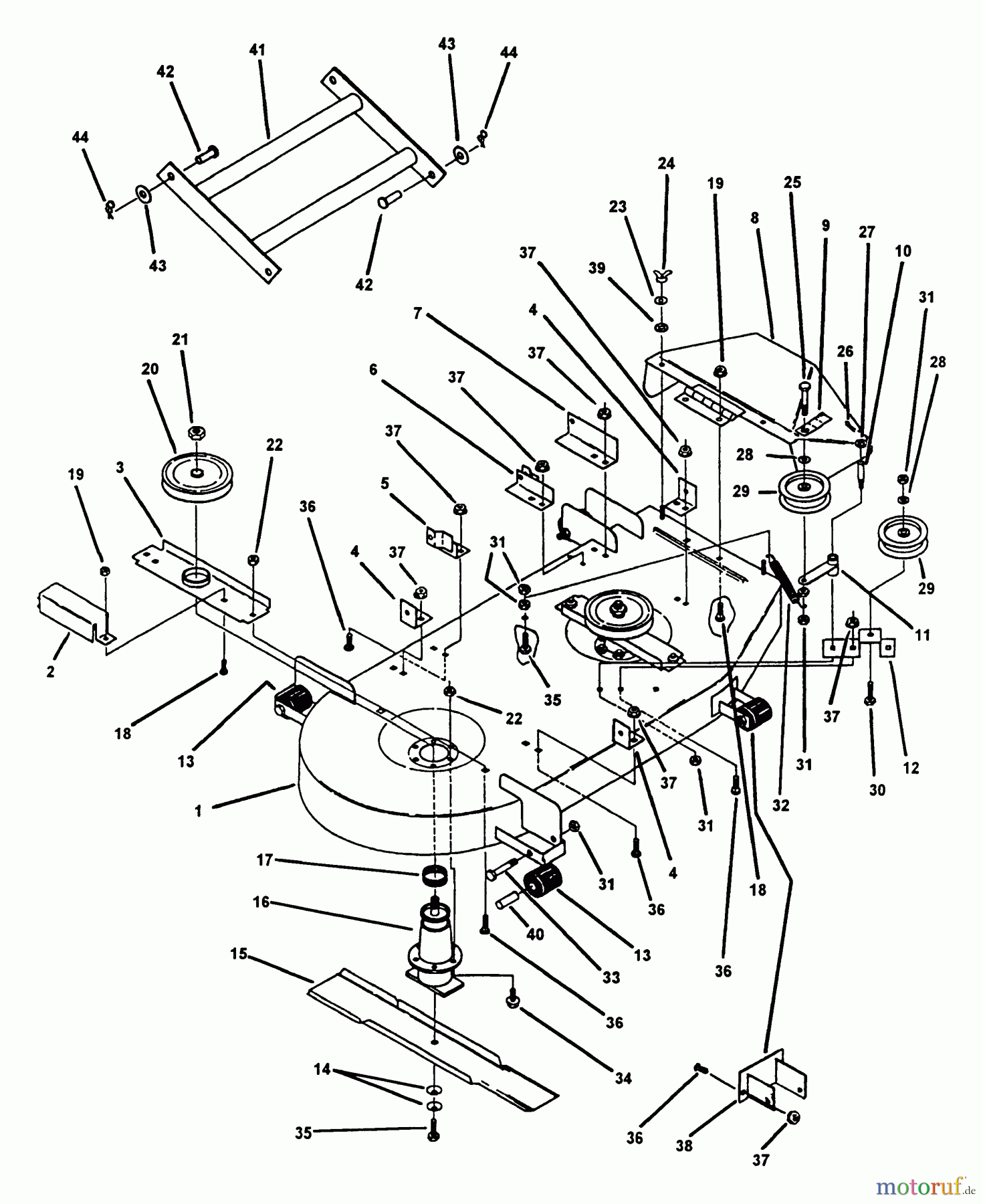
Hier finden Sie die Ersatzteilzeichnung für Snapper Mähdecks Z4102M - Snapper 41" Deck, Mid Mount ZTR, Series 2 41" Deck Assembly. Wählen Sie das benötigte Ersatzteil aus der Ersatzteilliste Ihres Snapper Gerätes aus und bestellen Sie einfach online. Viele Snapper Ersatzteile halten wir ständig in unserem Lager für Sie bereit.





