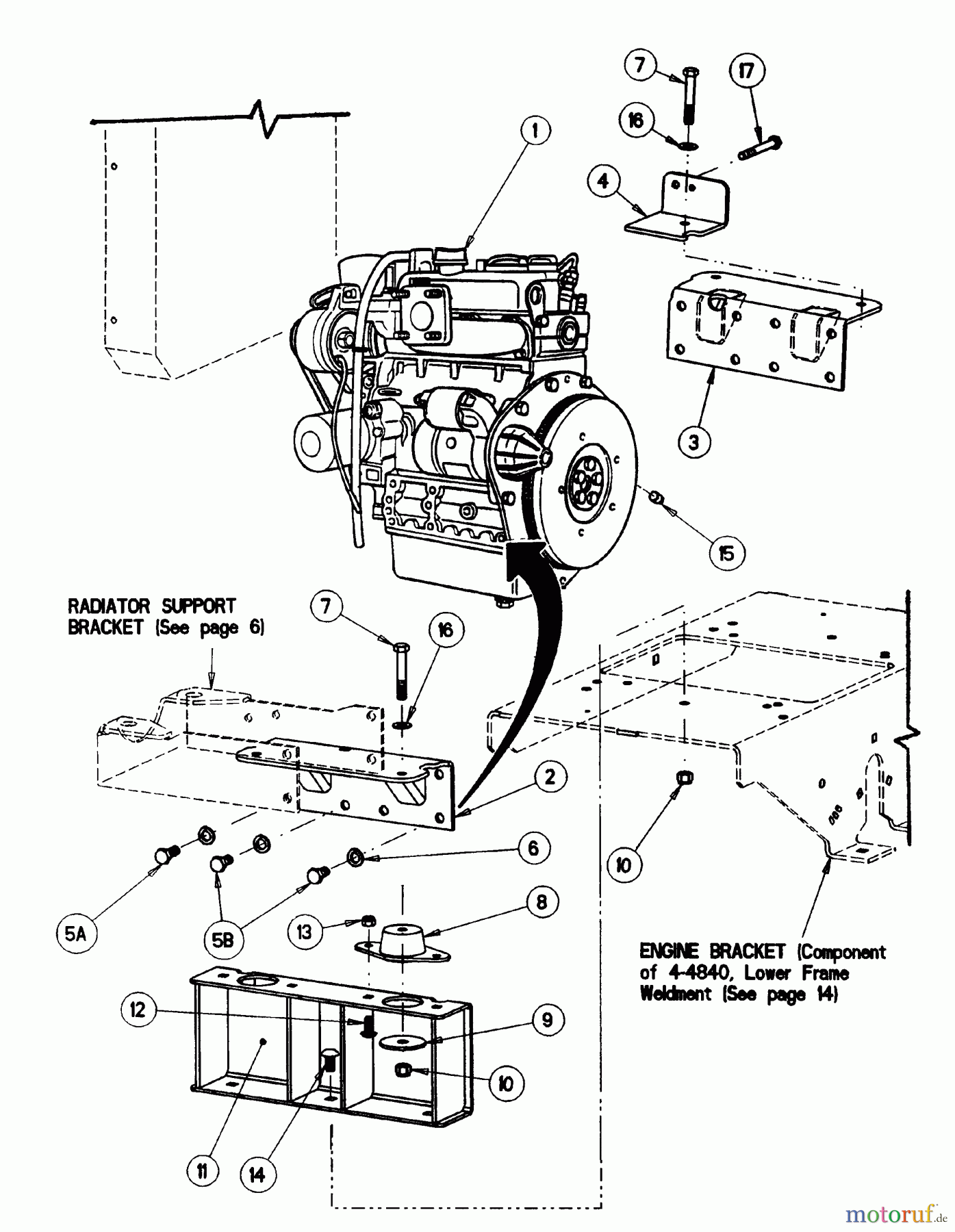
Snapper EZF5200M - 52" Out Front Mower, Commercial Lawn & Turf Series 0 Engine & Engine Mount Assemblies Ersatzteile
Engine & Engine Mount Assemblies EZF5200M - Snapper 52" Out Front Mower, Commercial Lawn & Turf Series 0

Hier finden Sie die Ersatzteilzeichnung für Snapper Mähdecks EZF5200M - Snapper 52" Out Front Mower, Commercial Lawn & Turf Series 0 Engine & Engine Mount Assemblies. Wählen Sie das benötigte Ersatzteil aus der Ersatzteilliste Ihres Snapper Gerätes aus und bestellen Sie einfach online. Viele Snapper Ersatzteile halten wir ständig in unserem Lager für Sie bereit.


Qualitätsmanagement
Informieren Sie uns, wenn Sie einen Fehler gefunden haben.



