Snapper WO1-180V - 6.5 HP OHV Robin Engine, 4-Cycle Brake Ersatzteile
Brake WO1-180V - Snapper 6.5 HP OHV Robin Engine, 4-Cycle

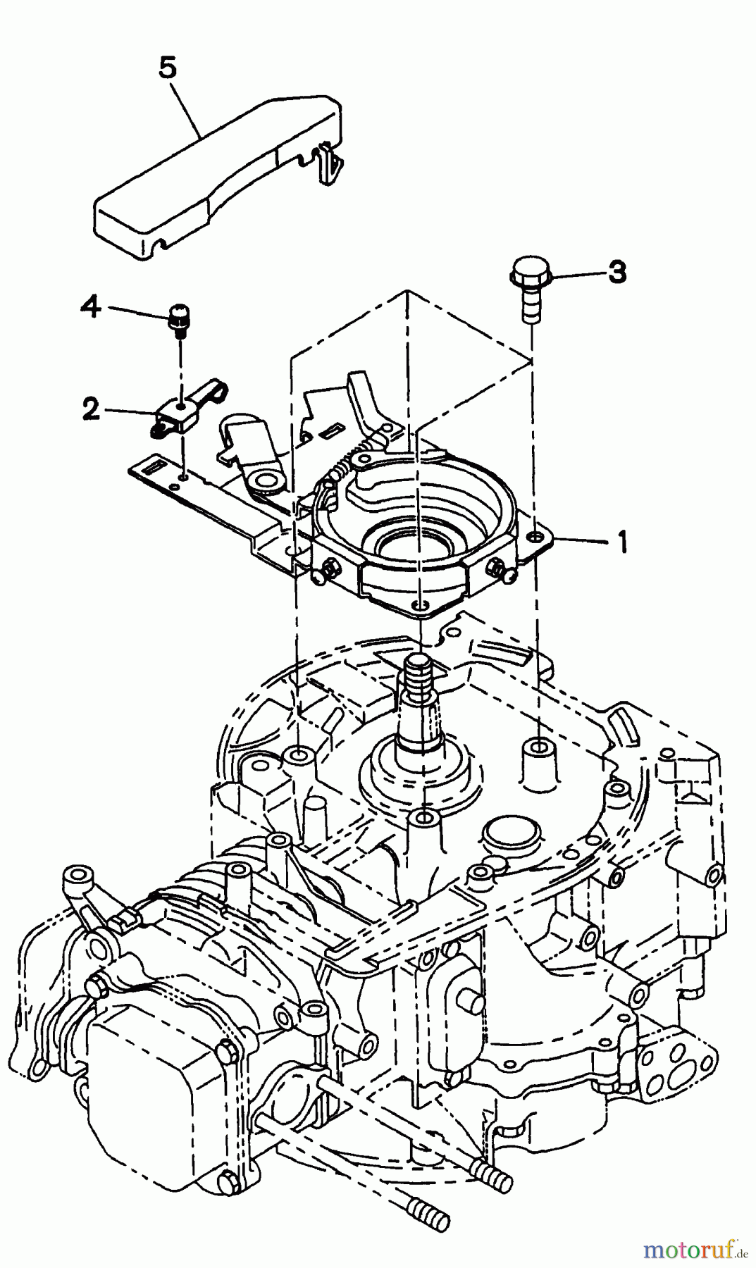
Hier finden Sie die Ersatzteilzeichnung für Snapper Motoren WO1-180V - Snapper 6.5 HP OHV Robin Engine, 4-Cycle Brake. Wählen Sie das benötigte Ersatzteil aus der Ersatzteilliste Ihres Snapper Gerätes aus und bestellen Sie einfach online. Viele Snapper Ersatzteile halten wir ständig in unserem Lager für Sie bereit.
| BildNr | Artikel Nummer | Bezeichnung | |
| 1 | Subaru Robin 261-86001-00 | ||
| 2 | Subaru Robin 226-72706-11 | ||
| 3 | Subaru Robin 011-00600-20 | ||
| 4 | Subaru Robin 004-37041-20 | ||
| 5 | Subaru Robin 261-86501-03 | ||



