Snapper EH18V - 6.5 HP OHV Robin Engine, 4-Cycle Fuel And Lubricant (Part II) Ersatzteile
Fuel And Lubricant (Part II) EH18V - Snapper 6.5 HP OHV Robin Engine, 4-Cycle

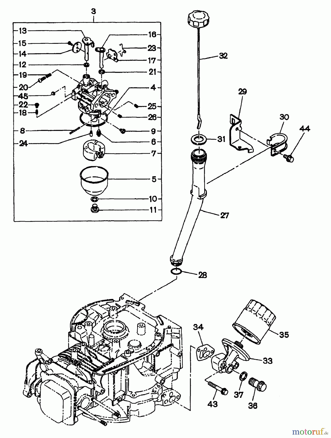
Hier finden Sie die Ersatzteilzeichnung für Snapper Motoren EH18V - Snapper 6.5 HP OHV Robin Engine, 4-Cycle Fuel And Lubricant (Part II). Wählen Sie das benötigte Ersatzteil aus der Ersatzteilliste Ihres Snapper Gerätes aus und bestellen Sie einfach online. Viele Snapper Ersatzteile halten wir ständig in unserem Lager für Sie bereit.


Qualitätsmanagement
Informieren Sie uns, wenn Sie einen Fehler gefunden haben.

