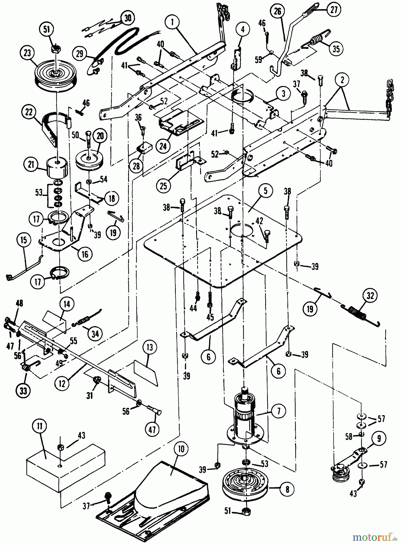
Snapper 7082099 - 30" RER Snowthrower Attachment Carrier Components Ersatzteile
Carrier Components 7082099 - Snapper 30" RER Snowthrower Attachment

Hier finden Sie die Ersatzteilzeichnung für Snapper Zubehör, Schnee 7082099 - Snapper 30" RER Snowthrower Attachment Carrier Components. Wählen Sie das benötigte Ersatzteil aus der Ersatzteilliste Ihres Snapper Gerätes aus und bestellen Sie einfach online. Viele Snapper Ersatzteile halten wir ständig in unserem Lager für Sie bereit.


Qualitätsmanagement
Informieren Sie uns, wenn Sie einen Fehler gefunden haben.


