Snapper 7063080 - Stand/Sit Sulky Kit Stand/Sit Sulky Ersatzteile
Stand/Sit Sulky 7063080 - Snapper Stand/Sit Sulky Kit

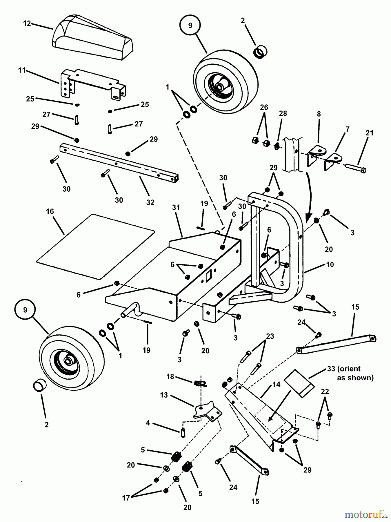
Hier finden Sie die Ersatzteilzeichnung für Snapper Zubehör. Rasenmäher 7063080 - Snapper Stand/Sit Sulky Kit Stand/Sit Sulky. Wählen Sie das benötigte Ersatzteil aus der Ersatzteilliste Ihres Snapper Gerätes aus und bestellen Sie einfach online. Viele Snapper Ersatzteile halten wir ständig in unserem Lager für Sie bereit.


Qualitätsmanagement
Informieren Sie uns, wenn Sie einen Fehler gefunden haben.


