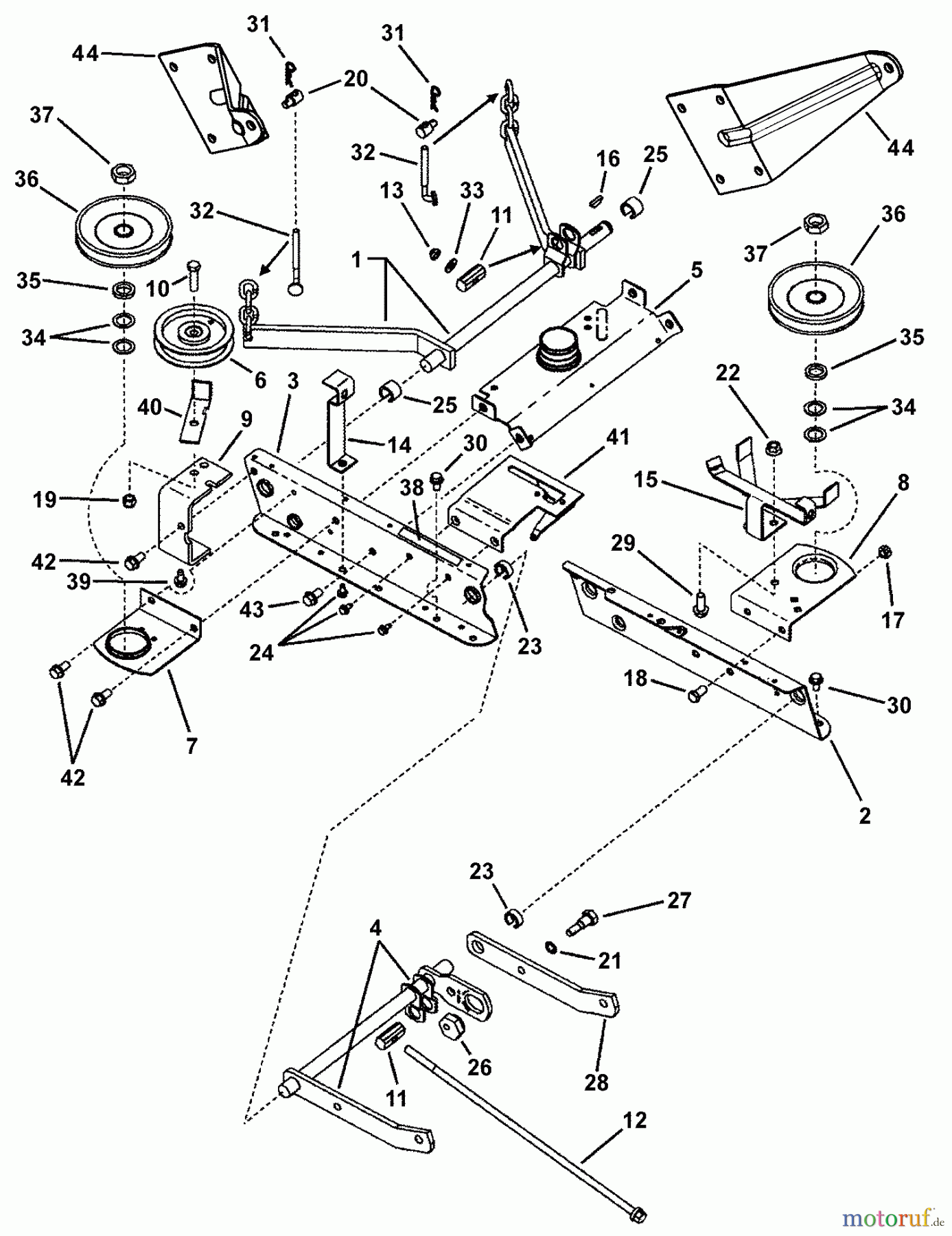
Snapper 7063023 - 42" Dual Idler Deck Kit, Rear-Engine Rider RAILS, LIFT ARMS, CAM LIFT Ersatzteile
RAILS, LIFT ARMS, CAM LIFT 7063023 - Snapper 42" Dual Idler Deck Kit, Rear-Engine Rider

Hier finden Sie die Ersatzteilzeichnung für Snapper Zubehör. Rasenmäher 7063023 - Snapper 42" Dual Idler Deck Kit, Rear-Engine Rider RAILS, LIFT ARMS, CAM LIFT. Wählen Sie das benötigte Ersatzteil aus der Ersatzteilliste Ihres Snapper Gerätes aus und bestellen Sie einfach online. Viele Snapper Ersatzteile halten wir ständig in unserem Lager für Sie bereit.


Qualitätsmanagement
Informieren Sie uns, wenn Sie einen Fehler gefunden haben.


