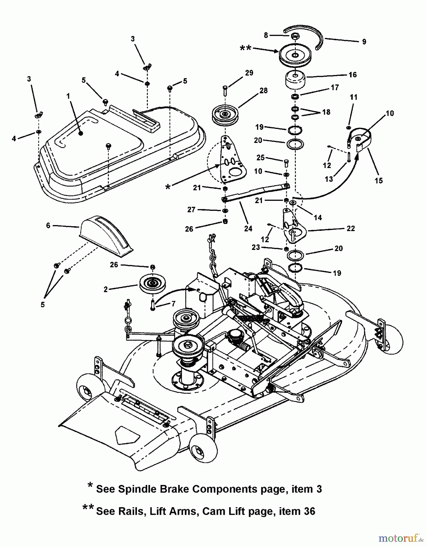
Snapper 7063023 - 42" Dual Idler Deck Kit, Rear-Engine Rider DECK COVER, BELT, BLADE BRAKE Ersatzteile
DECK COVER, BELT, BLADE BRAKE 7063023 - Snapper 42" Dual Idler Deck Kit, Rear-Engine Rider

Hier finden Sie die Ersatzteilzeichnung für Snapper Zubehör. Rasenmäher 7063023 - Snapper 42" Dual Idler Deck Kit, Rear-Engine Rider DECK COVER, BELT, BLADE BRAKE. Wählen Sie das benötigte Ersatzteil aus der Ersatzteilliste Ihres Snapper Gerätes aus und bestellen Sie einfach online. Viele Snapper Ersatzteile halten wir ständig in unserem Lager für Sie bereit.




