Snapper 7061312 - 38" Single Bag Grass Catcher Grass Catcher Ersatzteile
Grass Catcher 7061312 - Snapper 38" Single Bag Grass Catcher

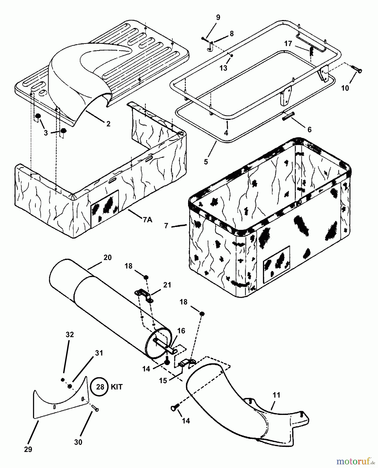
Hier finden Sie die Ersatzteilzeichnung für Snapper Zubehör. Rasenmäher 7061312 - Snapper 38" Single Bag Grass Catcher Grass Catcher. Wählen Sie das benötigte Ersatzteil aus der Ersatzteilliste Ihres Snapper Gerätes aus und bestellen Sie einfach online. Viele Snapper Ersatzteile halten wir ständig in unserem Lager für Sie bereit.


Qualitätsmanagement
Informieren Sie uns, wenn Sie einen Fehler gefunden haben.

