Snapper 7061207 - Backside Dual Idler Kit (Pistol Grip), 12.5 HP & 14 HP Backside Idler (Part 2) Ersatzteile
Backside Idler (Part 2) 7061207 - Snapper Backside Dual Idler Kit (Pistol Grip), 12.5 HP & 14 HP

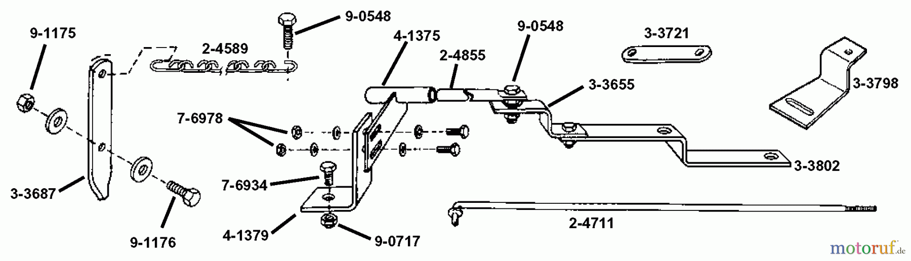
Hier finden Sie die Ersatzteilzeichnung für Snapper Zubehör. Rasenmäher 7061207 - Snapper Backside Dual Idler Kit (Pistol Grip), 12.5 HP & 14 HP Backside Idler (Part 2). Wählen Sie das benötigte Ersatzteil aus der Ersatzteilliste Ihres Snapper Gerätes aus und bestellen Sie einfach online. Viele Snapper Ersatzteile halten wir ständig in unserem Lager für Sie bereit.
| BildNr | Artikel Nummer | Bezeichnung | |
| BS7061208 | |||
| 41375 | BS7041375YP | (C) WELD, GUIDE, CLEA | |
| 41379 | BS7041379YP | (C) WELD, SUPPORT, CL | |
| 24855 | BS7024855YP | (C) ROD, REVERSE | |
| 33655 | BS7033655YP | (C) STRAP, REVERSE | |
| 33802 | BS7033802YP | (C) LEVER, REVERSE | |
| 76934 | BS7076934YP | (C) HHCS, 5/16C X3/4 | |
| 90717 | ![]()  | BS703902 | MUTTER, 5/16-18 | 
| 76978 | BS7076978SM | HLN, 1/4C BZ | |
| BS7061209 | |||
| 24711 | BS7024711YP | (C) ROD, TRACTION, LO | |
| 33687 | BS7033687YP | (C) LEVER, REVERSE, P | |
| 33721 | BS7033721 | ||
| 24589 | BS7024589YP | (C) CHAIN, REVERSE | |
| 33798 | BS7033798YP | (C) ARM, REVERSE | |
| 91175 | BS7091175 | ||
| 91176 | BS7091176 | ||
| BS7061210 | |||
| 90548 | BS7027230SM | (C) HHCS, 1/4C X1 GR5 | |


Qualitätsmanagement
 Informieren Sie uns, wenn Sie einen Fehler gefunden haben.


