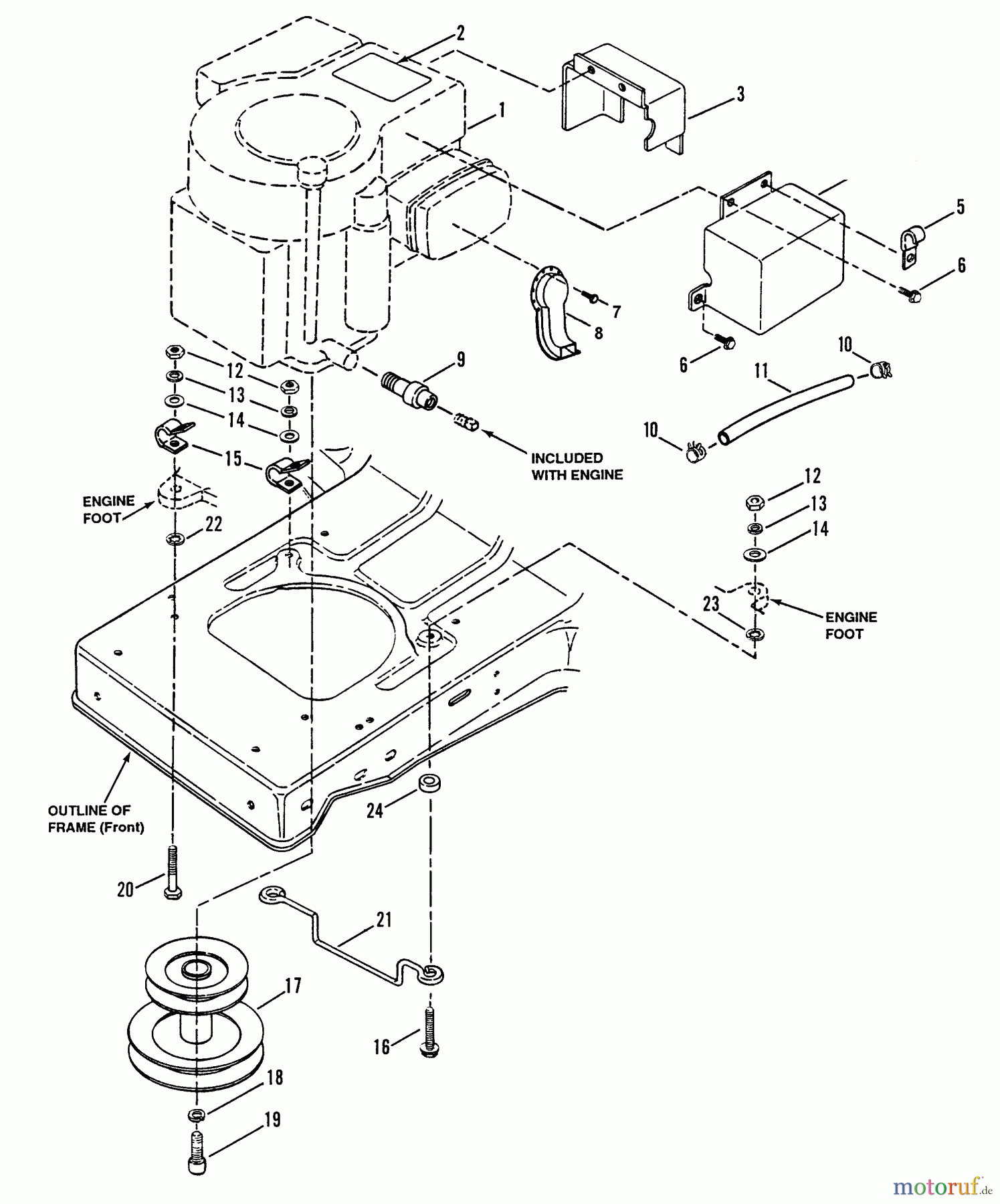
Snapper 7060947 - Bag N-Wagon, 30 Bushel LT140H38ABV (80561) 38" 14 HP Hydro Drive Tractor Series A Engine Components Ersatzteile
Engine Components LT140H38ABV (80561) 38" 14 HP Hydro Drive Tractor Series A

Hier finden Sie die Ersatzteilzeichnung für Snapper Zubehör. Rasenmäher 7060947 - Snapper Bag N-Wagon, 30 Bushel LT140H38ABV (80561) 38" 14 HP Hydro Drive Tractor Series A Engine Components. Wählen Sie das benötigte Ersatzteil aus der Ersatzteilliste Ihres Snapper Gerätes aus und bestellen Sie einfach online. Viele Snapper Ersatzteile halten wir ständig in unserem Lager für Sie bereit.


Qualitätsmanagement
Informieren Sie uns, wenn Sie einen Fehler gefunden haben.

