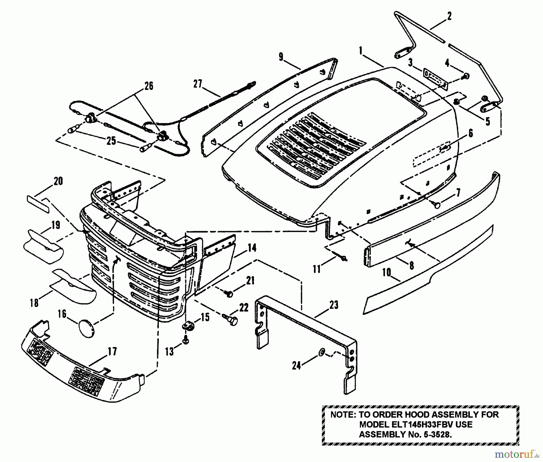
Snapper 7060947 - Bag N-Wagon, 30 Bushel ELT145H33FBV (84360) 38" 14.5 HP European Hydro Drive Tractor Series F Hood, Bumper, Headlights & Components (Part 2) Ersatzteile
Hood, Bumper, Headlights & Components (Part 2) ELT145H33FBV (84360) 38" 14.5 HP European Hydro Drive Tractor Series F

Hier finden Sie die Ersatzteilzeichnung für Snapper Zubehör. Rasenmäher 7060947 - Snapper Bag N-Wagon, 30 Bushel ELT145H33FBV (84360) 38" 14.5 HP European Hydro Drive Tractor Series F Hood, Bumper, Headlights & Components (Part 2). Wählen Sie das benötigte Ersatzteil aus der Ersatzteilliste Ihres Snapper Gerätes aus und bestellen Sie einfach online. Viele Snapper Ersatzteile halten wir ständig in unserem Lager für Sie bereit.



