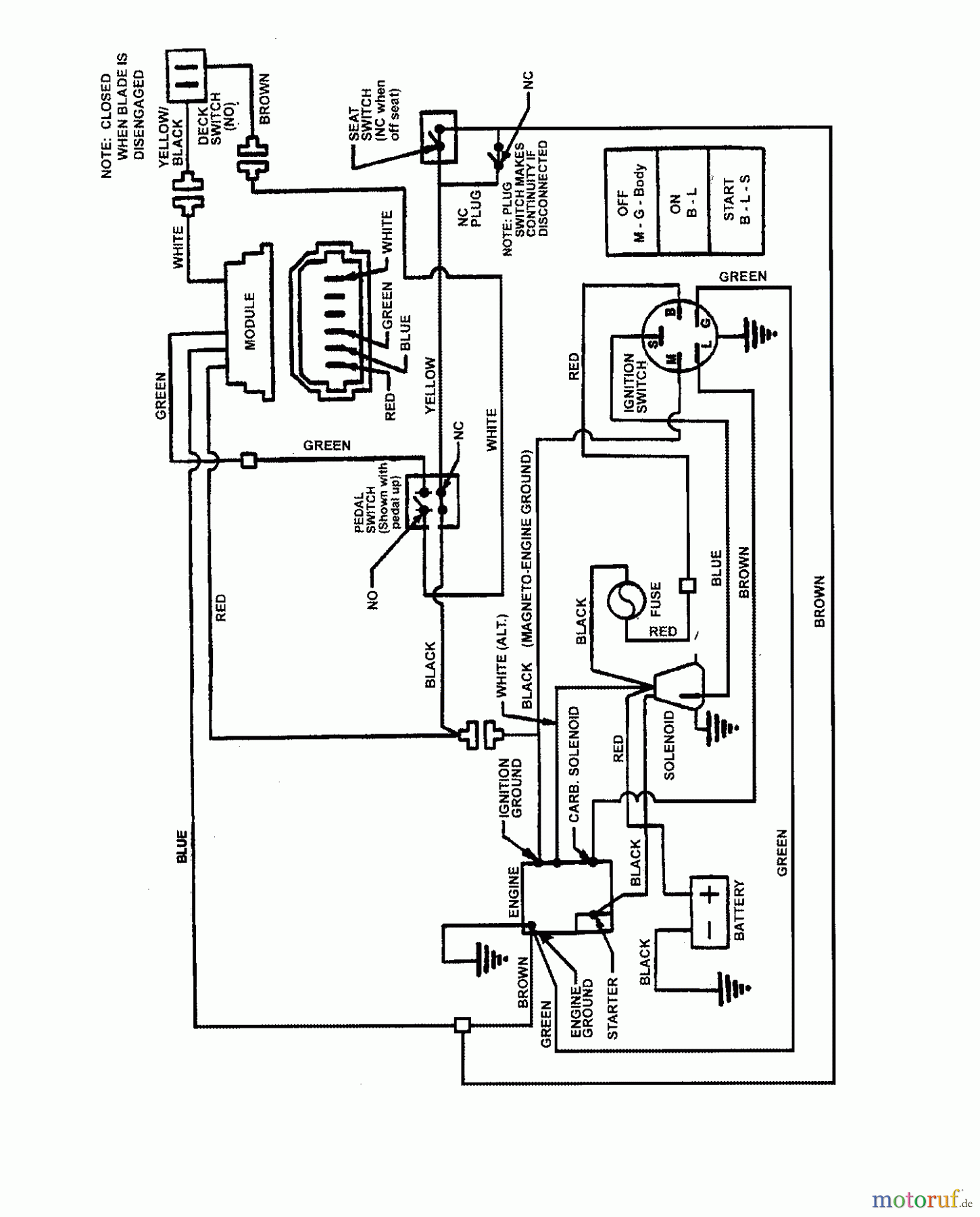
Snapper 7060947 - Bag N-Wagon, 30 Bushel E3317523BVE (7800718) 33" 17.5 HP Rear Engine Rider Euro Series 23 Wiring Schematic (Briggs 17.5 HP) Ersatzteile
Wiring Schematic (Briggs 17.5 HP) E3317523BVE (7800718) 33" 17.5 HP Rear Engine Rider Euro Series 23

Hier finden Sie die Ersatzteilzeichnung für Snapper Zubehör. Rasenmäher 7060947 - Snapper Bag N-Wagon, 30 Bushel E3317523BVE (7800718) 33" 17.5 HP Rear Engine Rider Euro Series 23 Wiring Schematic (Briggs 17.5 HP). Wählen Sie das benötigte Ersatzteil aus der Ersatzteilliste Ihres Snapper Gerätes aus und bestellen Sie einfach online. Viele Snapper Ersatzteile halten wir ständig in unserem Lager für Sie bereit.



