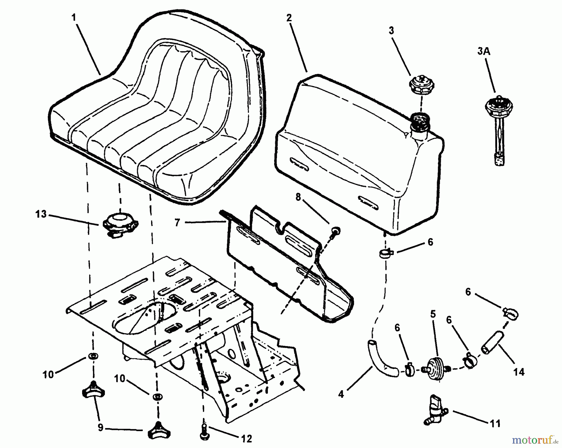
Snapper 7060947 - Bag N-Wagon, 30 Bushel E281320BE 28" 13 HP Rear Engine Rider European Series 20 Fuel Tank & Operators Seat Ersatzteile
Fuel Tank & Operators Seat E281320BE 28" 13 HP Rear Engine Rider European Series 20

Hier finden Sie die Ersatzteilzeichnung für Snapper Zubehör. Rasenmäher 7060947 - Snapper Bag N-Wagon, 30 Bushel E281320BE 28" 13 HP Rear Engine Rider European Series 20 Fuel Tank & Operators Seat. Wählen Sie das benötigte Ersatzteil aus der Ersatzteilliste Ihres Snapper Gerätes aus und bestellen Sie einfach online. Viele Snapper Ersatzteile halten wir ständig in unserem Lager für Sie bereit.



