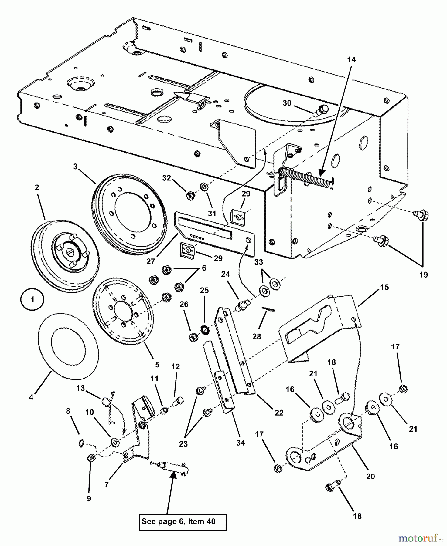
Snapper 7060947 - Bag N-Wagon, 30 Bushel E281022BE (84709) 28" 10 HP Rear Engine Rider Euro Series 22 Smooth Clutch Assembly (Part 1) Ersatzteile
Smooth Clutch Assembly (Part 1) E281022BE (84709) 28" 10 HP Rear Engine Rider Euro Series 22

Hier finden Sie die Ersatzteilzeichnung für Snapper Zubehör. Rasenmäher 7060947 - Snapper Bag N-Wagon, 30 Bushel E281022BE (84709) 28" 10 HP Rear Engine Rider Euro Series 22 Smooth Clutch Assembly (Part 1). Wählen Sie das benötigte Ersatzteil aus der Ersatzteilliste Ihres Snapper Gerätes aus und bestellen Sie einfach online. Viele Snapper Ersatzteile halten wir ständig in unserem Lager für Sie bereit.


Qualitätsmanagement
Informieren Sie uns, wenn Sie einen Fehler gefunden haben.




