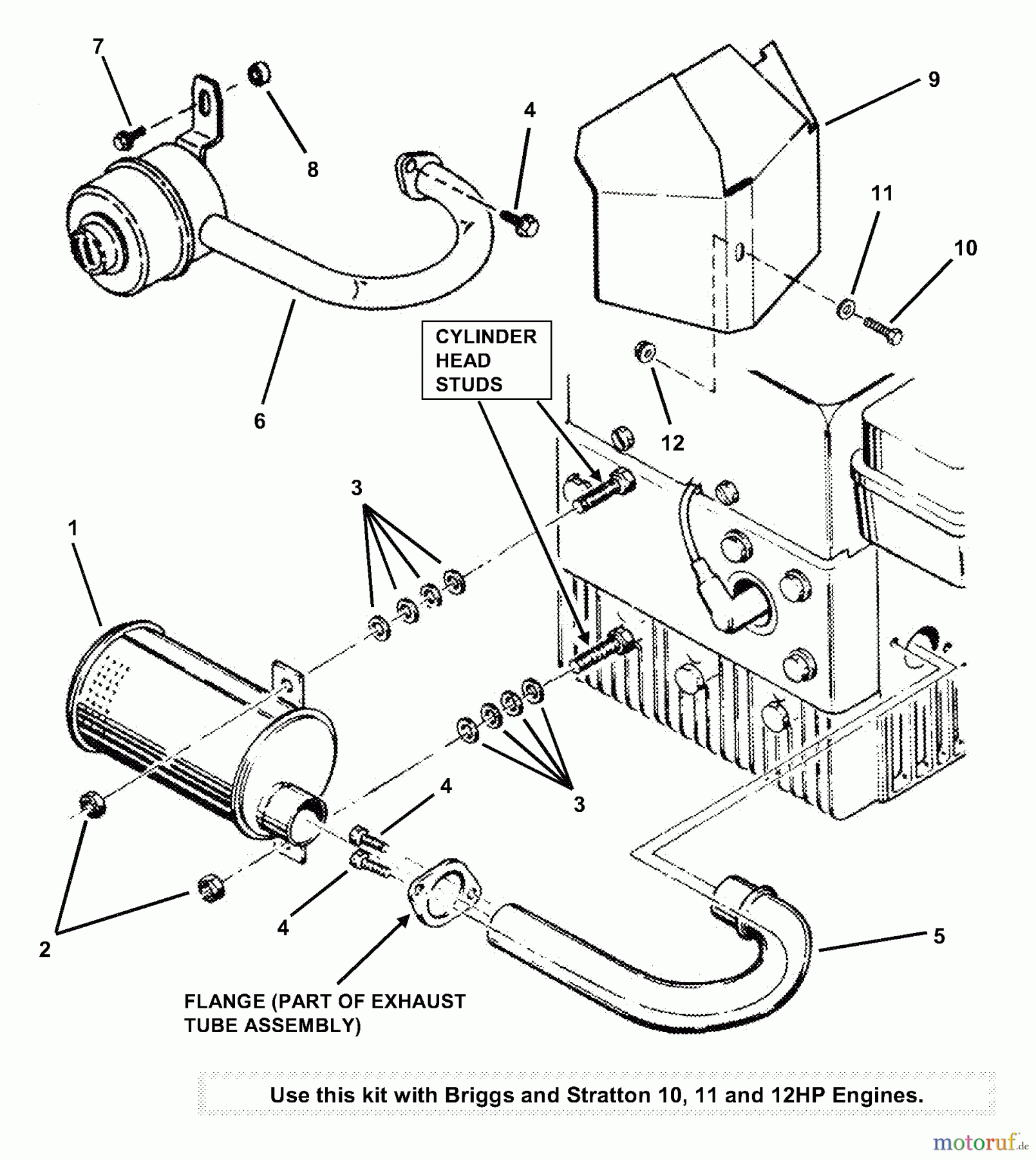
Snapper 7060334 - Muffler Kit, 10, 11, 12 HP (Briggs & Stratton) Briggs 10, 11 & 12 HP Mufflers Ersatzteile
Briggs 10, 11 & 12 HP Mufflers 7060334 - Snapper Muffler Kit, 10, 11, 12 HP (Briggs & Stratton)

Hier finden Sie die Ersatzteilzeichnung für Snapper Zubehör 7060334 - Snapper Muffler Kit, 10, 11, 12 HP (Briggs & Stratton) Briggs 10, 11 & 12 HP Mufflers. Wählen Sie das benötigte Ersatzteil aus der Ersatzteilliste Ihres Snapper Gerätes aus und bestellen Sie einfach online. Viele Snapper Ersatzteile halten wir ständig in unserem Lager für Sie bereit.


Qualitätsmanagement
Informieren Sie uns, wenn Sie einen Fehler gefunden haben.


