Shindaiwa T231XB - String Trimmer Fan Cover, Crankcase, Cylinder Cover Ersatzteile
Fan Cover, Crankcase, Cylinder Cover T231XB - Shindaiwa String Trimmer

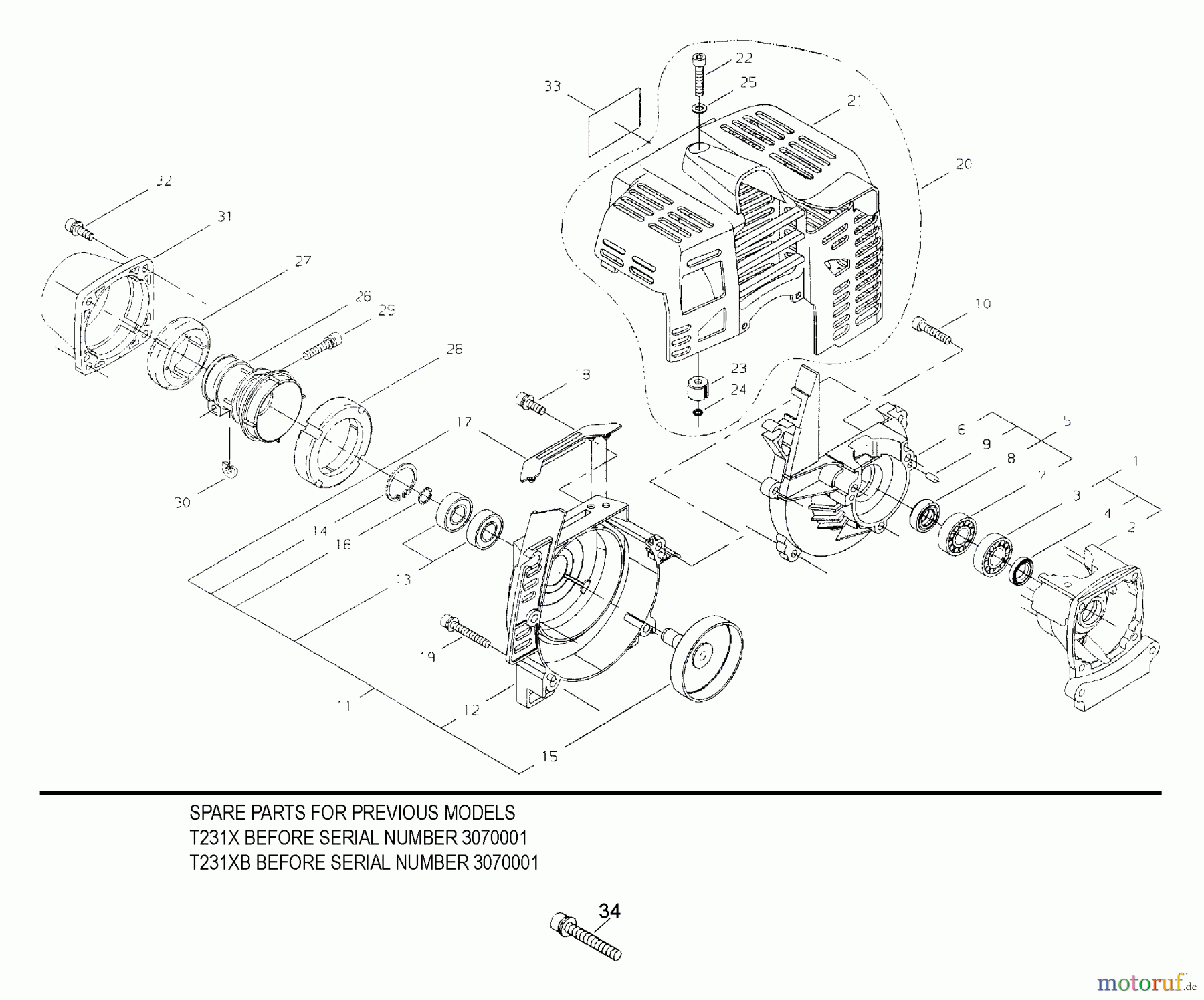
Hier finden Sie die Ersatzteilzeichnung für Shindaiwa Trimmer, Faden / Bürste T231XB - Shindaiwa String Trimmer Fan Cover, Crankcase, Cylinder Cover. Wählen Sie das benötigte Ersatzteil aus der Ersatzteilliste Ihres Shindaiwa Gerätes aus und bestellen Sie einfach online. Viele Shindaiwa Ersatzteile halten wir ständig in unserem Lager für Sie bereit.


Qualitätsmanagement
Informieren Sie uns, wenn Sie einen Fehler gefunden haben.



