Shindaiwa T231/T231B - String Trimmer Outer Tube, Throttle Lever Ersatzteile
Outer Tube, Throttle Lever T231/T231B - Shindaiwa String Trimmer

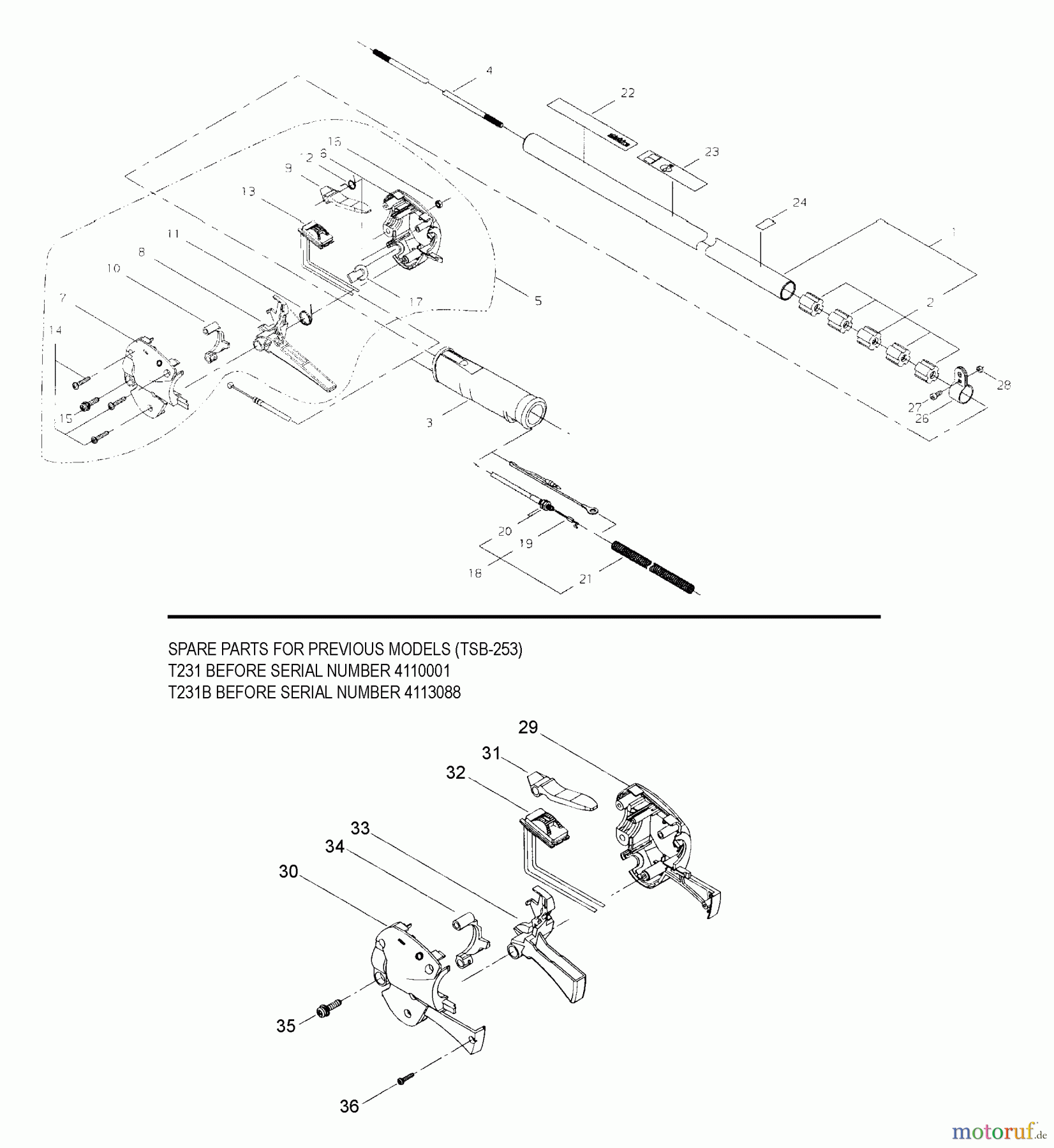
Hier finden Sie die Ersatzteilzeichnung für Shindaiwa Trimmer, Faden / Bürste T231/T231B - Shindaiwa String Trimmer Outer Tube, Throttle Lever. Wählen Sie das benötigte Ersatzteil aus der Ersatzteilliste Ihres Shindaiwa Gerätes aus und bestellen Sie einfach online. Viele Shindaiwa Ersatzteile halten wir ständig in unserem Lager für Sie bereit.


Qualitätsmanagement
Informieren Sie uns, wenn Sie einen Fehler gefunden haben.

