Shindaiwa M2510 - Multi-Tool Clutch, Crankshaft, Valve Train, Piston Ersatzteile
Clutch, Crankshaft, Valve Train, Piston M2510 - Shindaiwa Multi-Tool

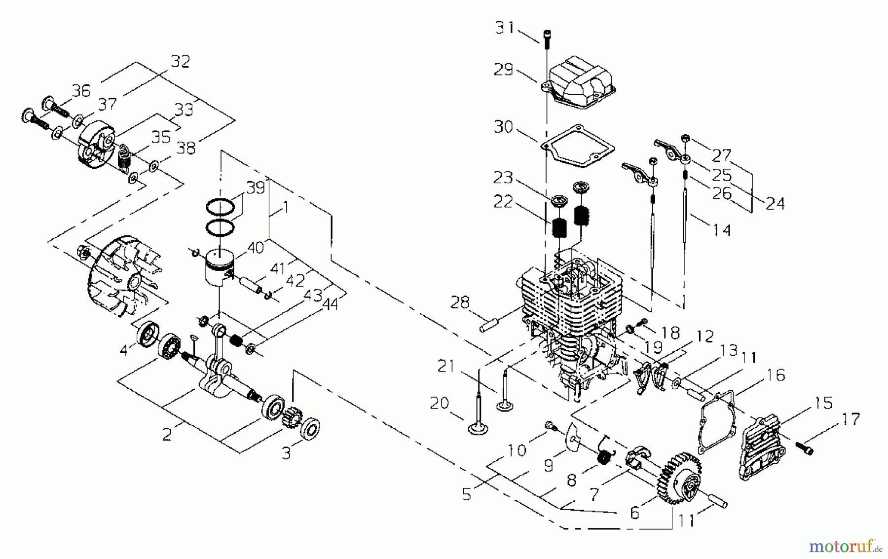
Hier finden Sie die Ersatzteilzeichnung für Shindaiwa Trimmer, Faden / Bürste M2510 - Shindaiwa Multi-Tool Clutch, Crankshaft, Valve Train, Piston. Wählen Sie das benötigte Ersatzteil aus der Ersatzteilliste Ihres Shindaiwa Gerätes aus und bestellen Sie einfach online. Viele Shindaiwa Ersatzteile halten wir ständig in unserem Lager für Sie bereit.


Qualitätsmanagement
Informieren Sie uns, wenn Sie einen Fehler gefunden haben.


