Shindaiwa F18 - String Trimmer Carburetor Ersatzteile
Carburetor F18 - Shindaiwa String Trimmer

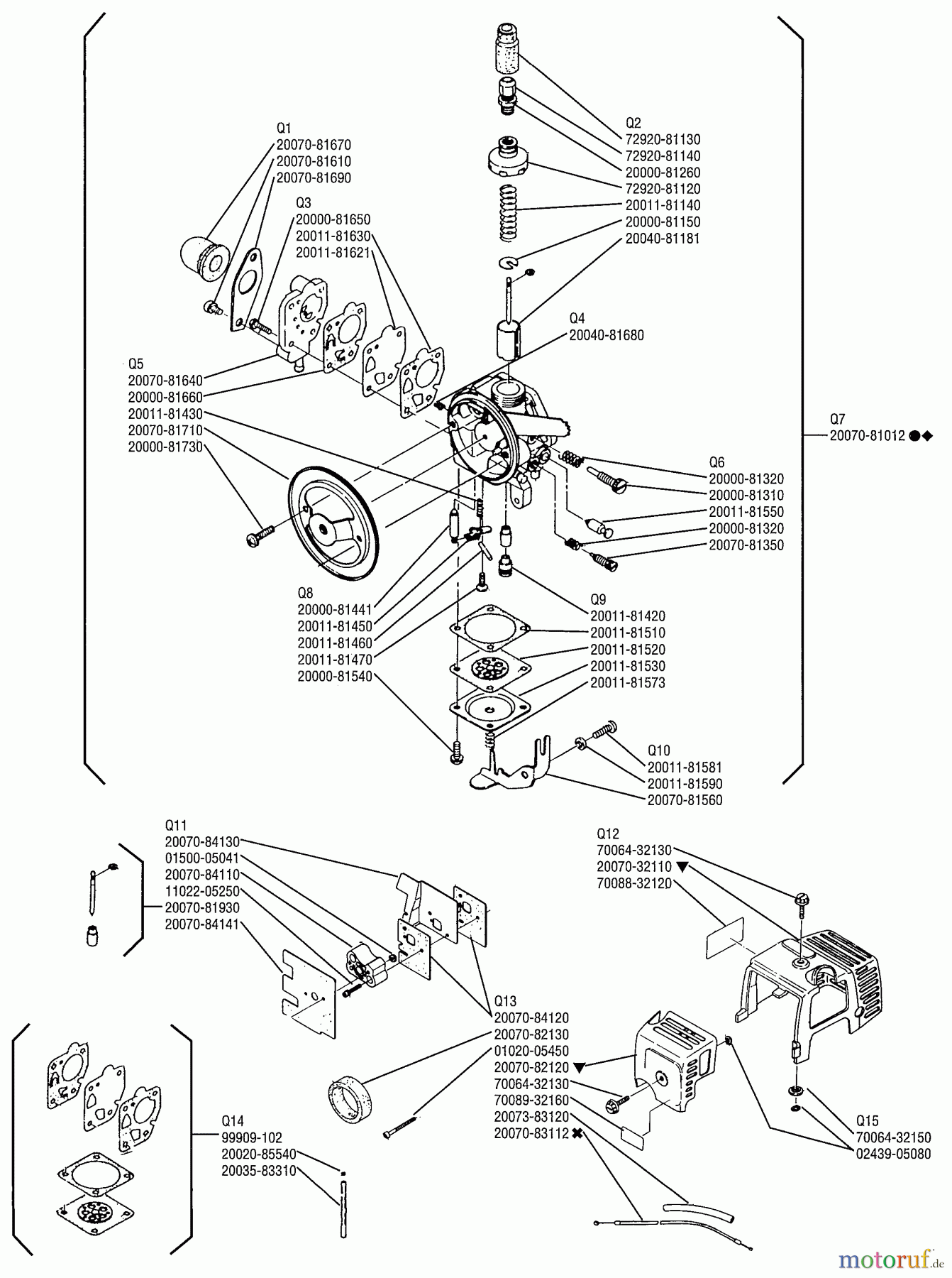
Hier finden Sie die Ersatzteilzeichnung für Shindaiwa Trimmer, Faden / Bürste F18 - Shindaiwa String Trimmer Carburetor. Wählen Sie das benötigte Ersatzteil aus der Ersatzteilliste Ihres Shindaiwa Gerätes aus und bestellen Sie einfach online. Viele Shindaiwa Ersatzteile halten wir ständig in unserem Lager für Sie bereit.


Qualitätsmanagement
Informieren Sie uns, wenn Sie einen Fehler gefunden haben.


