Shindaiwa 575 - Chainsaw Muffler Ersatzteile
Muffler 575 - Shindaiwa Chainsaw

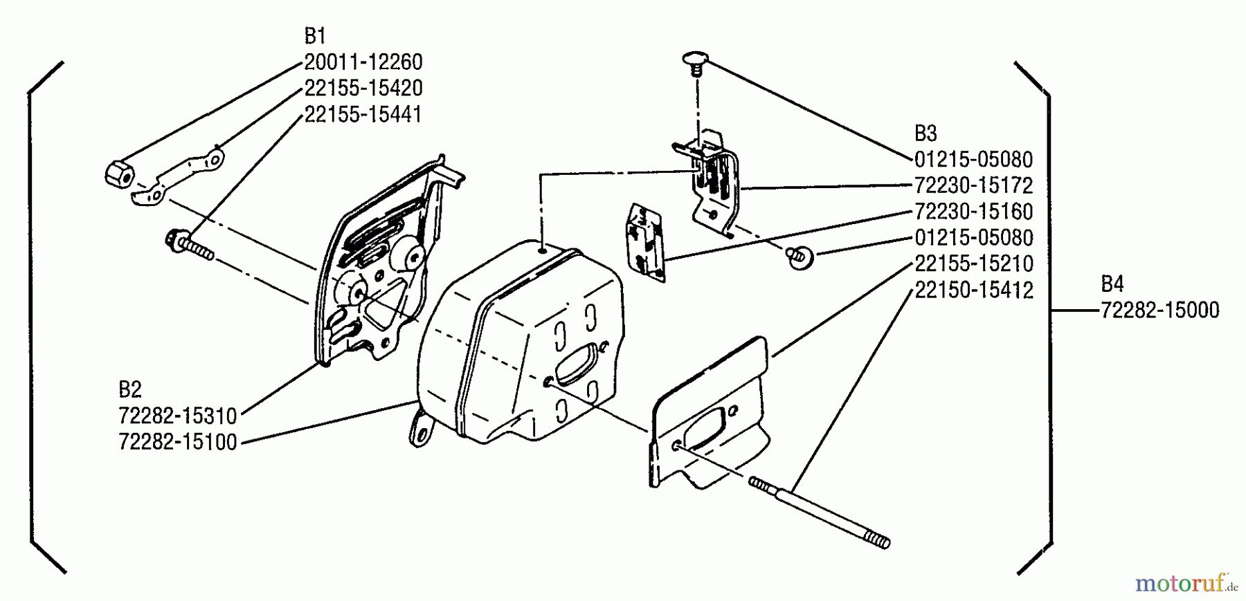
Hier finden Sie die Ersatzteilzeichnung für Shindaiwa Sägen, Motorsägen 575 - Shindaiwa Chainsaw Muffler. Wählen Sie das benötigte Ersatzteil aus der Ersatzteilliste Ihres Shindaiwa Gerätes aus und bestellen Sie einfach online. Viele Shindaiwa Ersatzteile halten wir ständig in unserem Lager für Sie bereit.
| BildNr | Artikel Nummer | Bezeichnung | |
| B1-20011-12260 | 16-V263-000260 | Mutter DH2200ST | |
| B1-22155-15420 | 16-22155-15420 | ||
| B1-22155-15441 | 16-99999999999 | ||
| B2-72282-15310 | 16-A314000020 | ||
| B2-72282-15100 | 16-72282-15101 | ||
| B3-01215-05080 | 16-01215-05080 | ||
| B3-72230-15172 | 16-72230-15172 | ||
| B3-72230-15160 | 16-72230-15160 | ||
| B3-22155-15210 | 16-22175-15210 | ||
| B3-22150-15412 | 16-V204-000640 | STEHBOLZEN | |
| B4-72282-15000 | 16-72282-15000 | ||


Qualitätsmanagement
Informieren Sie uns, wenn Sie einen Fehler gefunden haben.

