Shindaiwa 500 - Chainsaw Main Housing Ersatzteile
Main Housing 500 - Shindaiwa Chainsaw

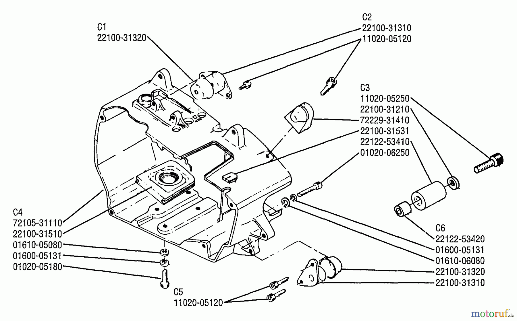
Hier finden Sie die Ersatzteilzeichnung für Shindaiwa Sägen, Motorsägen 500 - Shindaiwa Chainsaw Main Housing. Wählen Sie das benötigte Ersatzteil aus der Ersatzteilliste Ihres Shindaiwa Gerätes aus und bestellen Sie einfach online. Viele Shindaiwa Ersatzteile halten wir ständig in unserem Lager für Sie bereit.
| BildNr | Artikel Nummer | Bezeichnung | |
| C6-22122-53420 | 16-V353000460 | ||
| C3-01600-05131 | 16-900605-00005 | Scheibe PB-250/EC-7600 | |
| C6-01610-06080 | 16-900600-00006 | Scheibe | |
| C6-22100-31320 | 16-V423000070 | ||
| C6-22100-31310 | 16-V401000250 | ||
| C3-11020-05250 | 16-V203-001330 | Schraube | |
| C3-22100-31210 | 16-V303-000260 | Scheibe | |
| C3-72229-31410 | 16-V401000460 | ||
| C3-22100-31531 | 16-V144-000250 | Gummisichtung | |
| C3-22122-53410 | 16-C310-000050 | KETTENFANGBOLZEN -SPEZIAL- | |
| C3-01020-06250 | 16-900105-06025 | Schraube 6 x 25 PB-500 | |
| C4-72105-31110 | 16-72105-31110 | ||
| C4-22100-31510 | 16-22100-31510 | ||
| C4-01610-05080 | 16-900600-00005 | Scheibe PB-500/452GS/DH2200ST | |
| C4-01600-05131 | 16-01600-05131 | ||
| C4-01020-05180 | 16-900105-05018 | Schraube 452GS (10) | |
| C5-11020-05120 | 16-11022-05120 | ||
| C2-22100-31310 | 16-22100-31310 | ||
| C2-11020-05120 | 16-11020-05120 | ||
| C1-22100-31320 | 16-22100-31320 | ||


Qualitätsmanagement
Informieren Sie uns, wenn Sie einen Fehler gefunden haben.

