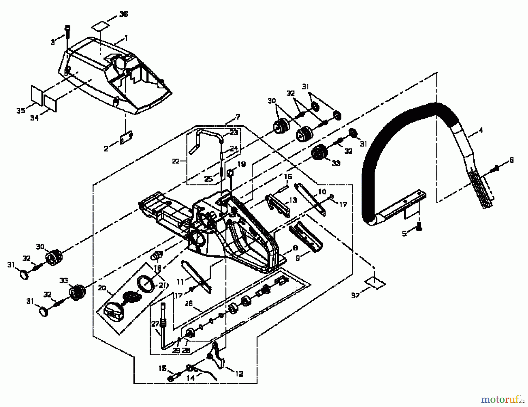
Shindaiwa 488P - Chainsaw, Cover / Handle Ersatzteile
Cover / Handle 488P - Shindaiwa Chainsaw,

Hier finden Sie die Ersatzteilzeichnung für Shindaiwa Sägen, Motorsägen 488P - Shindaiwa Chainsaw, Cover / Handle. Wählen Sie das benötigte Ersatzteil aus der Ersatzteilliste Ihres Shindaiwa Gerätes aus und bestellen Sie einfach online. Viele Shindaiwa Ersatzteile halten wir ständig in unserem Lager für Sie bereit.


Qualitätsmanagement
Informieren Sie uns, wenn Sie einen Fehler gefunden haben.


