Shindaiwa 345 - Chainsaw Carburetor Ersatzteile
Carburetor 345 - Shindaiwa Chainsaw

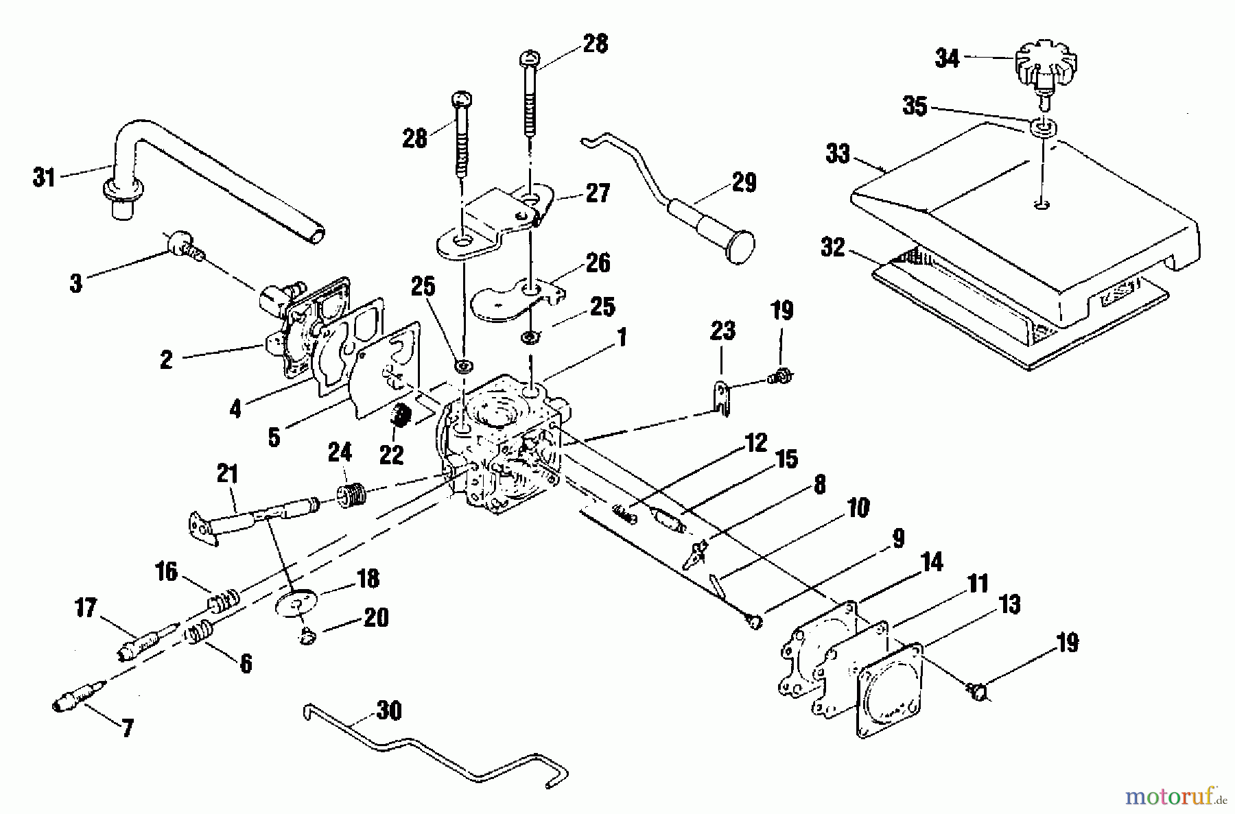
Hier finden Sie die Ersatzteilzeichnung für Shindaiwa Sägen, Motorsägen 345 - Shindaiwa Chainsaw Carburetor. Wählen Sie das benötigte Ersatzteil aus der Ersatzteilliste Ihres Shindaiwa Gerätes aus und bestellen Sie einfach online. Viele Shindaiwa Ersatzteile halten wir ständig in unserem Lager für Sie bereit.


Qualitätsmanagement
Informieren Sie uns, wenn Sie einen Fehler gefunden haben.



