Shindaiwa 326T - Chainsaw Rear Handle / Throttle Ersatzteile
Rear Handle / Throttle 326T - Shindaiwa Chainsaw

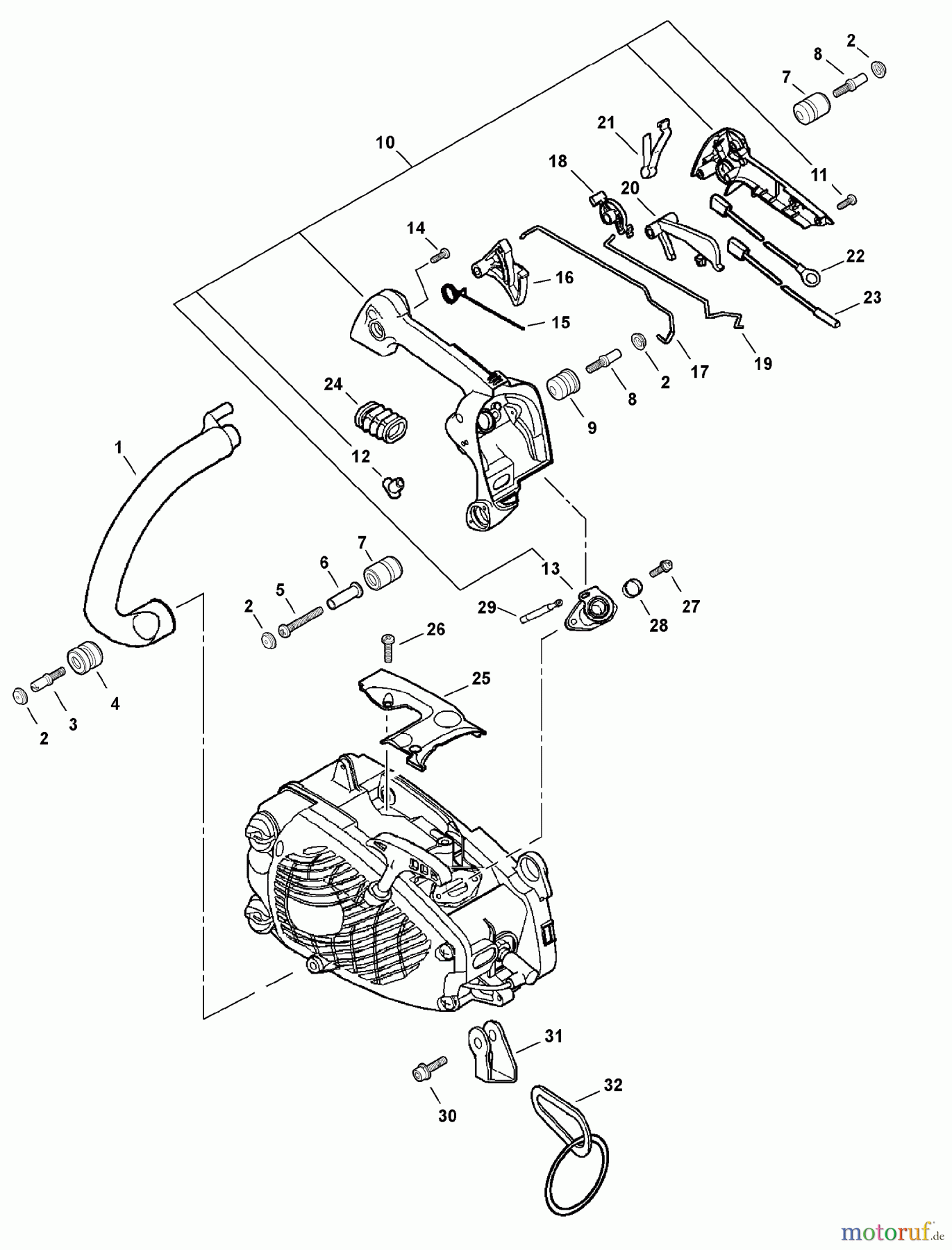
Hier finden Sie die Ersatzteilzeichnung für Shindaiwa Sägen, Motorsägen 326T - Shindaiwa Chainsaw Rear Handle / Throttle. Wählen Sie das benötigte Ersatzteil aus der Ersatzteilliste Ihres Shindaiwa Gerätes aus und bestellen Sie einfach online. Viele Shindaiwa Ersatzteile halten wir ständig in unserem Lager für Sie bereit.


Qualitätsmanagement
Informieren Sie uns, wenn Sie einen Fehler gefunden haben.

