Shindaiwa AHS231 - Articulating Hedge Trimmer Fuel Tank Ersatzteile
Fuel Tank AHS231 - Shindaiwa Articulating Hedge Trimmer

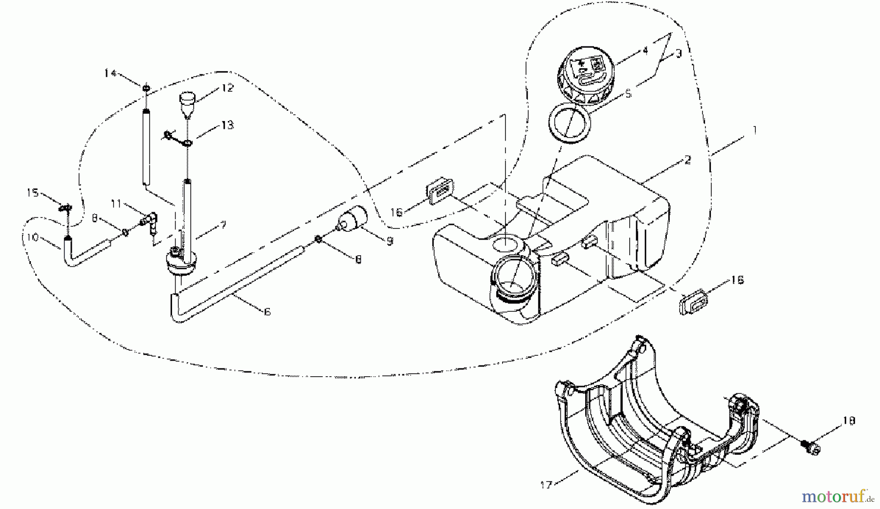
Hier finden Sie die Ersatzteilzeichnung für Shindaiwa Heckenscheren AHS231 - Shindaiwa Articulating Hedge Trimmer Fuel Tank. Wählen Sie das benötigte Ersatzteil aus der Ersatzteilliste Ihres Shindaiwa Gerätes aus und bestellen Sie einfach online. Viele Shindaiwa Ersatzteile halten wir ständig in unserem Lager für Sie bereit.


Qualitätsmanagement
Informieren Sie uns, wenn Sie einen Fehler gefunden haben.



