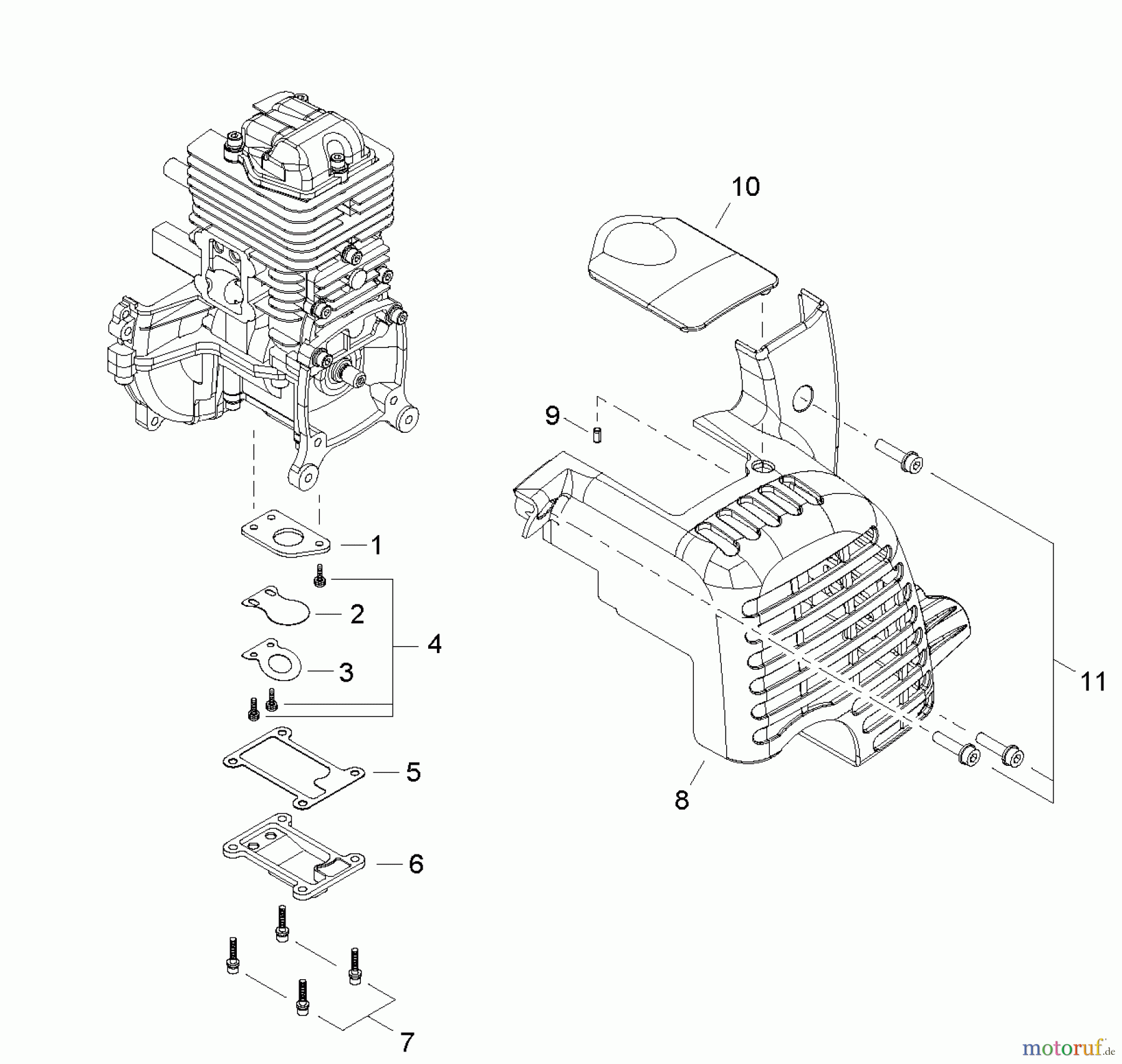
Shindaiwa EB254 - Hand Held Blower, S/N: T10812001001 - T10812999999 Engine Cover, Reed Valve Ersatzteile
Engine Cover, Reed Valve EB254 - Shindaiwa Hand Held Blower, S/N: T10812001001 - T10812999999

Hier finden Sie die Ersatzteilzeichnung für Shindaiwa Bläser / Sauger / Häcksler / Mulchgeräte EB254 - Shindaiwa Hand Held Blower, S/N: T10812001001 - T10812999999 Engine Cover, Reed Valve. Wählen Sie das benötigte Ersatzteil aus der Ersatzteilliste Ihres Shindaiwa Gerätes aus und bestellen Sie einfach online. Viele Shindaiwa Ersatzteile halten wir ständig in unserem Lager für Sie bereit.


Qualitätsmanagement
Informieren Sie uns, wenn Sie einen Fehler gefunden haben.


