Poulan / Weed Eater YP150 - Weed Eater String Trimmer OPTI0NAL BRUSH BLADE ADAPTOR KIT Ersatzteile
OPTI0NAL BRUSH BLADE ADAPTOR KIT YP150 - Weed Eater String Trimmer

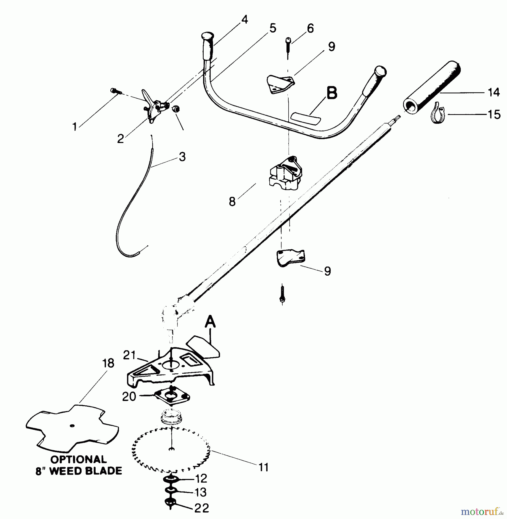
Hier finden Sie die Ersatzteilzeichnung für Poulan / Weed Eater Motorsensen, Trimmer YP150 - Weed Eater String Trimmer OPTI0NAL BRUSH BLADE ADAPTOR KIT. Wählen Sie das benötigte Ersatzteil aus der Ersatzteilliste Ihres Poulan / Weed Eater Gerätes aus und bestellen Sie einfach online. Viele Poulan / Weed Eater Ersatzteile halten wir ständig in unserem Lager für Sie bereit.
| BildNr | Artikel Nummer | Bezeichnung | |
| 0 | 952701576 | ||
| 1 | 530 01 57-74 | SCHRAUBE | |
| 2 | 530 01 09-59 | GASHEBEL | |
| 3 | 530093955 | ||
| 4 | 530093947 | ||
| 5 | 530093946 | ||
| 6 | 530 01 57-91 | SCHRAUBE | |
| 7 | 530093962 | ||
| 8 | 530 01 22-07 | KLAMMER | |
| 9 | 530 09 45-72 | BEFESTIGUNG | |
| 11 | 952701547 | ||
| 12 | 530 01 57-92 | SCHEIBE | |
| 13 | 530 01 62-40 | SCHEIBE | |
| 14 | 530027675 | ||
| 15 | 530 09 14-26 | BAND | |
| 16 | 530 01 53-28 | LOCKWASHER | |
| 17 | 530 00 16-42 | SCHEIBE | |
| 18 | 952701546 | ||
| 20 | 530 02 76-15 | PLATTE | |
| 21 | 530094633 | ||
| 22 | 530 01 57-93 | MUTTER | |
| A | 530 02 77-49 | AUFKLEBER | |
| B | 530026229 | ||


Qualitätsmanagement
Informieren Sie uns, wenn Sie einen Fehler gefunden haben.

