Poulan / Weed Eater XT100 - Weed Eater String Trimmer ENGINE & SHROUD Ersatzteile
ENGINE & SHROUD XT100 - Weed Eater String Trimmer

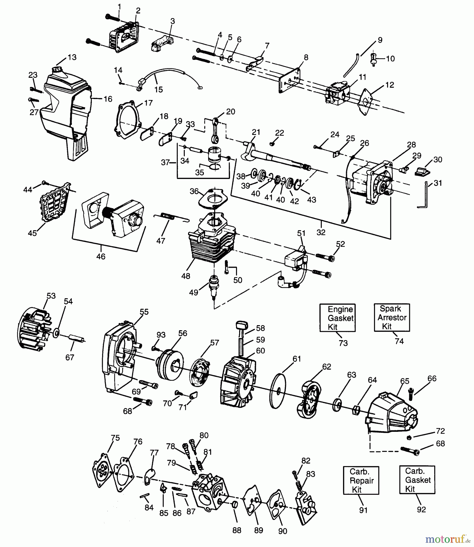
Hier finden Sie die Ersatzteilzeichnung für Poulan / Weed Eater Motorsensen, Trimmer XT100 - Weed Eater String Trimmer ENGINE & SHROUD. Wählen Sie das benötigte Ersatzteil aus der Ersatzteilliste Ihres Poulan / Weed Eater Gerätes aus und bestellen Sie einfach online. Viele Poulan / Weed Eater Ersatzteile halten wir ständig in unserem Lager für Sie bereit.


Qualitätsmanagement
Informieren Sie uns, wenn Sie einen Fehler gefunden haben.










