Poulan / Weed Eater XR-50A - Weed Eater String Trimmer POWER UNIT Ersatzteile
POWER UNIT XR-50A - Weed Eater String Trimmer

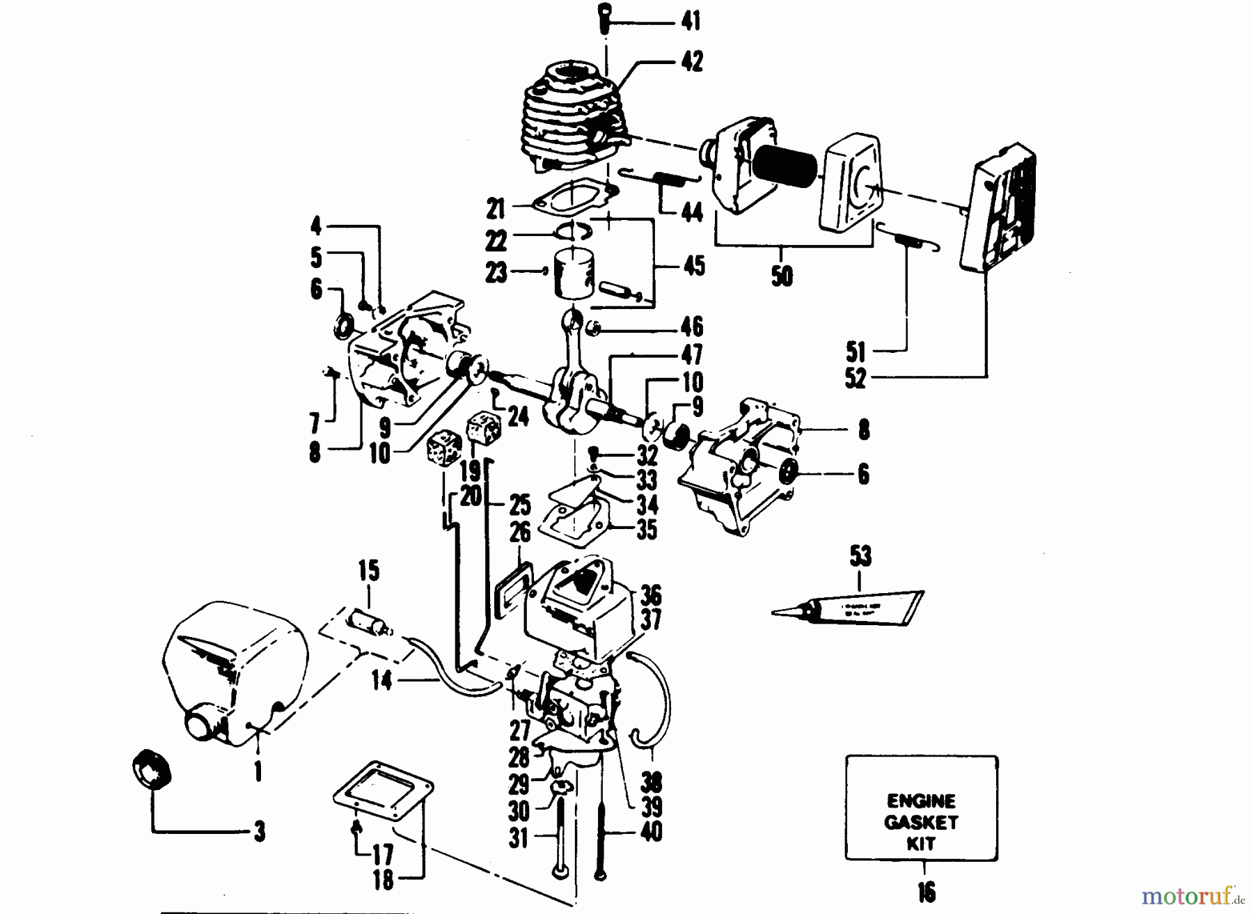
Hier finden Sie die Ersatzteilzeichnung für Poulan / Weed Eater Motorsensen, Trimmer XR-50A - Weed Eater String Trimmer POWER UNIT. Wählen Sie das benötigte Ersatzteil aus der Ersatzteilliste Ihres Poulan / Weed Eater Gerätes aus und bestellen Sie einfach online. Viele Poulan / Weed Eater Ersatzteile halten wir ständig in unserem Lager für Sie bereit.






