Poulan / Weed Eater XR-30 - Weed Eater String Trimmer STARTER & SHROUD Ersatzteile
STARTER & SHROUD XR-30 - Weed Eater String Trimmer

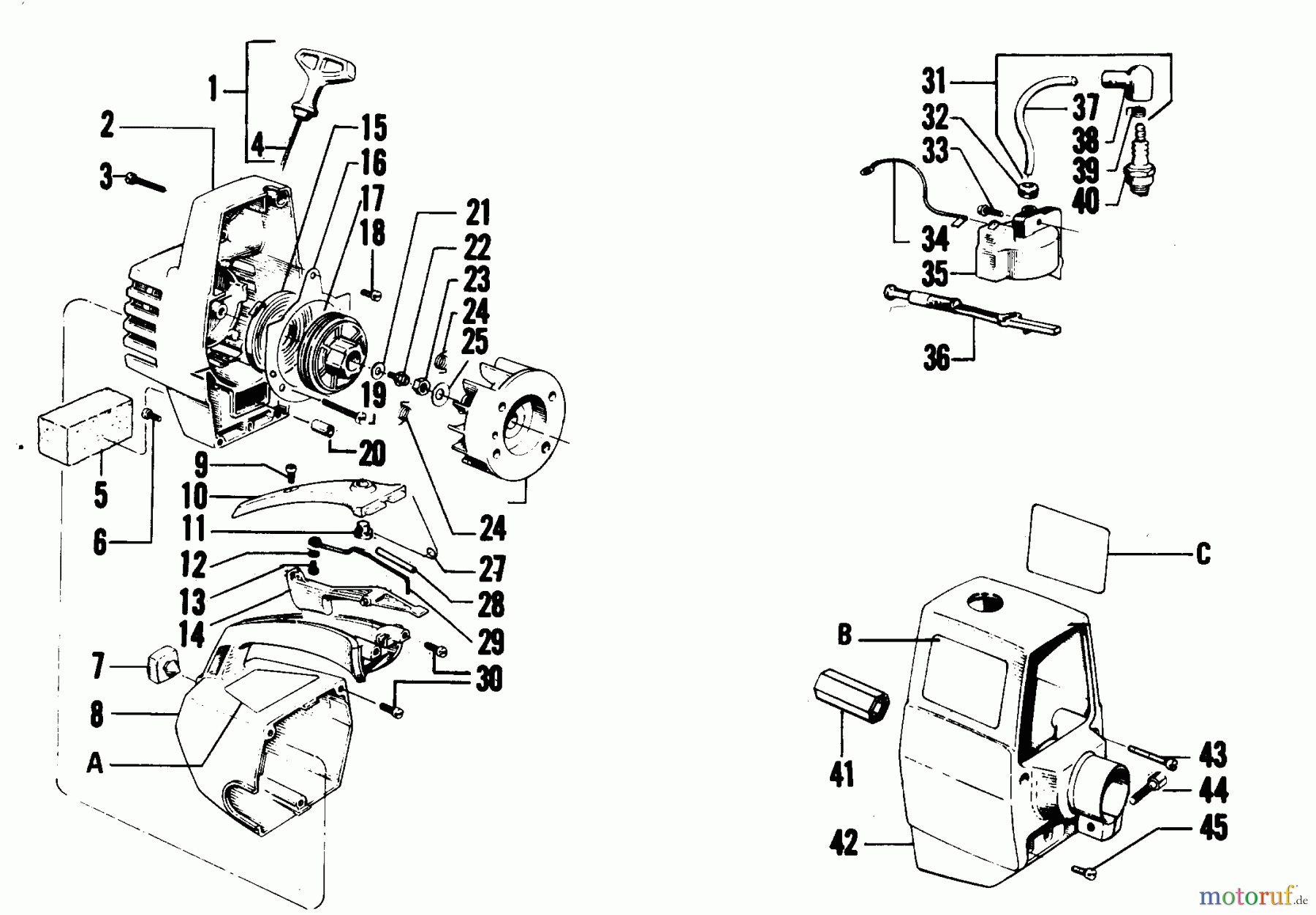
Hier finden Sie die Ersatzteilzeichnung für Poulan / Weed Eater Motorsensen, Trimmer XR-30 - Weed Eater String Trimmer STARTER & SHROUD. Wählen Sie das benötigte Ersatzteil aus der Ersatzteilliste Ihres Poulan / Weed Eater Gerätes aus und bestellen Sie einfach online. Viele Poulan / Weed Eater Ersatzteile halten wir ständig in unserem Lager für Sie bereit.
| BildNr | Artikel Nummer | Bezeichnung | |
| 1 | |||
| 2 | 530069178 | ||
| 3 | |||
| 4 | 530022290 | ||
| 5 | 530 02 43-71 | LUFTFILTER | |
| 6 | |||
| 7 | 530024436 | ||
| 8 | 530024656 | ||
| 9 | 530 01 52-47 | Schraube | |
| 10 | 530024661 | ||
| 11 | 530 02 66-79 | KNOPF | |
| 12 | 530015412 | ||
| 13 | 530 01 54-07 | SCHRAUBE | |
| 14 | 530024365 | ||
| 15 | |||
| 16 | 530026035 | ||
| 17 | |||
| 18 | |||
| 19 | |||
| 20 | 530026122 | ||
| 21 | 530 01 51-23 | SCHEIBE | |
| 22 | |||
| 23 | 530 62 66-05 | MUTTER | |
| 24 | 530 02 38-17 | FEDER | |
| 25 | 530 01 51-27 | SCHEIBE | |
| 26 | 530 03 91-14 | SCHWUNGRAD | |
| 27 | 530024461 | ||
| 28 | 530021036 | ||
| 29 | 530024407 | ||
| 30 | ![]() | 530 01 58-14 | SCHRAUBE |
| 31 | 502 03 91-03 | BEVEL GEAR COMPL. | |
| 32 | 530024435 | ||
| 33 | 530 01 58-16 | SCHRAUBE | |
| 34 | 530024158 | ||
| 35 | 530 06 91-81 | ELEKTRONIC | |
| 36 | 530 02 43-03 | Knopf | |
| 37 | 530 03 90-82 | KABEL | |
| 38 | 530 00 39-34 | KERZENSCHUH | |
| 39 | 507 47 53-26 | KIT--SPARKIE (INCL.SPRI | |
| 40 | 530030077 | 530030077 | |
| 41 | 530093694 | ||
| 42 | 530 01 17-78 | KÅPA | |
| 43 | 530 01 53-76 | SCREW | |
| 44 | 530625509 | ||
| 45 | 530 01 51-68 | SCHRAUBE | |
| A | 530026442 | ||
| B | 530025334 | ||
| C | 530025335 | ||


Qualitätsmanagement
Informieren Sie uns, wenn Sie einen Fehler gefunden haben.


