Poulan / Weed Eater SK160C-00 - Paramount Electric Trimmer TRIMMER ASSEMBLY Ersatzteile
TRIMMER ASSEMBLY SK160C-00 - Paramount Electric Trimmer

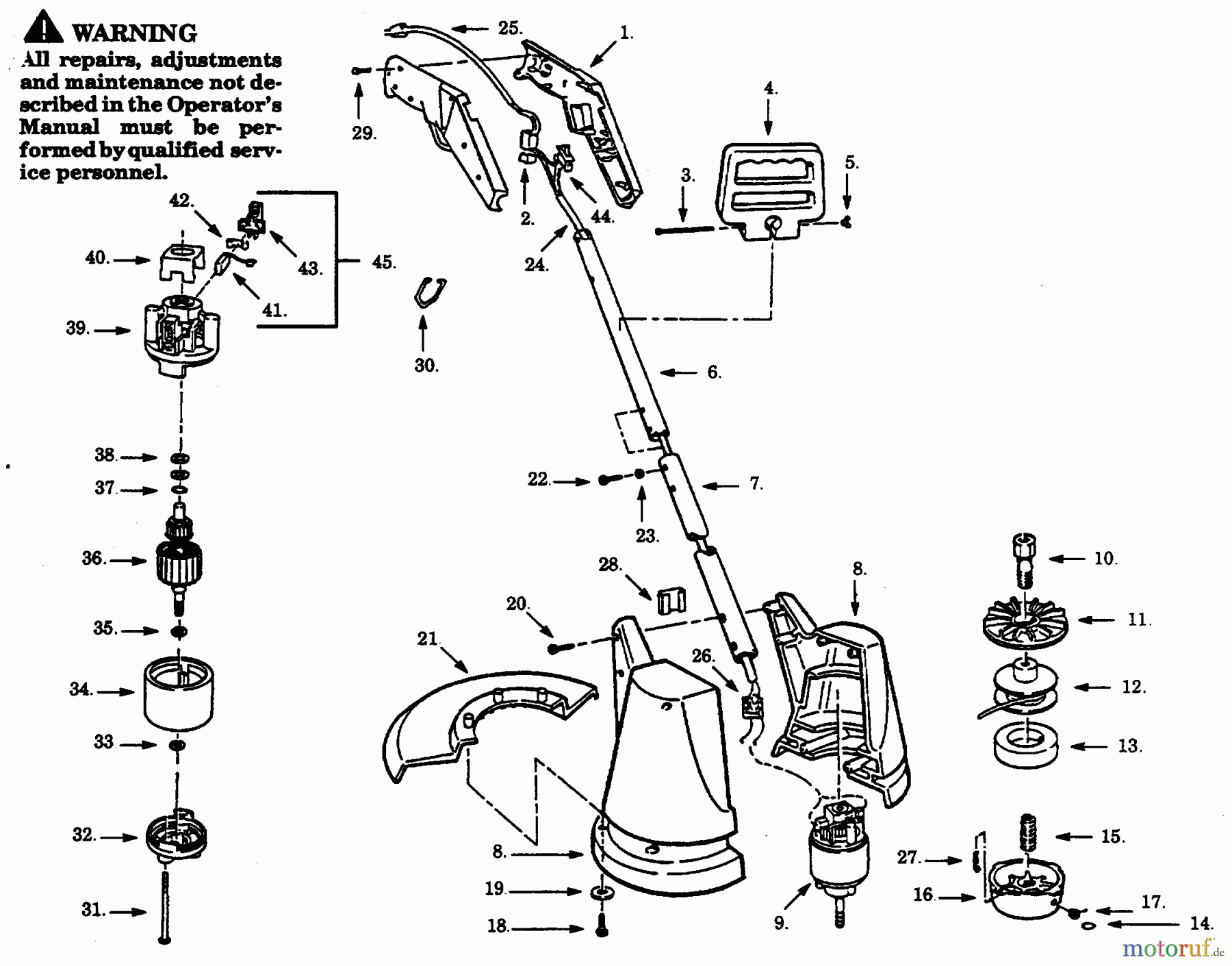
Hier finden Sie die Ersatzteilzeichnung für Poulan / Weed Eater Motorsensen, Trimmer SK160C-00 - Paramount Electric Trimmer TRIMMER ASSEMBLY. Wählen Sie das benötigte Ersatzteil aus der Ersatzteilliste Ihres Poulan / Weed Eater Gerätes aus und bestellen Sie einfach online. Viele Poulan / Weed Eater Ersatzteile halten wir ständig in unserem Lager für Sie bereit.
| BildNr | Artikel Nummer | Bezeichnung | |
| 1 | 534356714 | ||
| 2 | 534193001 | ||
| 3 | 534218100 | ||
| 4 | 534282605 | ||
| 5 | 534437000 | ||
| 6 | 534222506 | ||
| 7 | 534223201 | ||
| 8 | 534271634 | ||
| 9 | 534225020 | ||
| 10 | 534659500 | ||
| 11 | 534487125 | ||
| 12 | 952710505 | ||
| 13 | 534 15 86-02 | DÄMPFER | |
| 14 | 534487402 | ||
| 15 | 534157401 | ||
| 16 | 534486425 | ||
| 17 | 534157600 | ||
| 18 | 534193800 | ||
| 19 | 534653000 | ||
| 20 | 534222400 | ||
| 21 | 534379655 | ||
| 22 | 534970001 | ||
| 23 | 534713000 | ||
| 24 | 534316003 | ||
| 25 | 534234501 | ||
| 26 | 534327002 | ||
| 27 | 534270300 | ||
| 28 | 534337100 | ||
| 29 | 534193700 | ||
| 30 | 534270100 | ||
| 31 | 534228700 | ||
| 32 | 534227601 | ||
| 33 | 534228800 | ||
| 34 | 534227001 | ||
| 35 | 534747002 | ||
| 36 | 534225120 | ||
| 37 | 534246700 | ||
| 38 | 534238903 | ||
| 39 | 534227501 | ||
| 40 | 534226000 | ||
| 41 | 534227800 | ||
| 42 | 534228000 | ||
| 43 | 534227700 | ||
| 44 | 534332503 | ||
| 45 | 534450400 | ||



