Poulan / Weed Eater PT140C-00 - Paramount Electric Trimmer TRIMMER/BRUSHCUTTER ASSEMBLY Ersatzteile
TRIMMER/BRUSHCUTTER ASSEMBLY PT140C-00 - Paramount Electric Trimmer

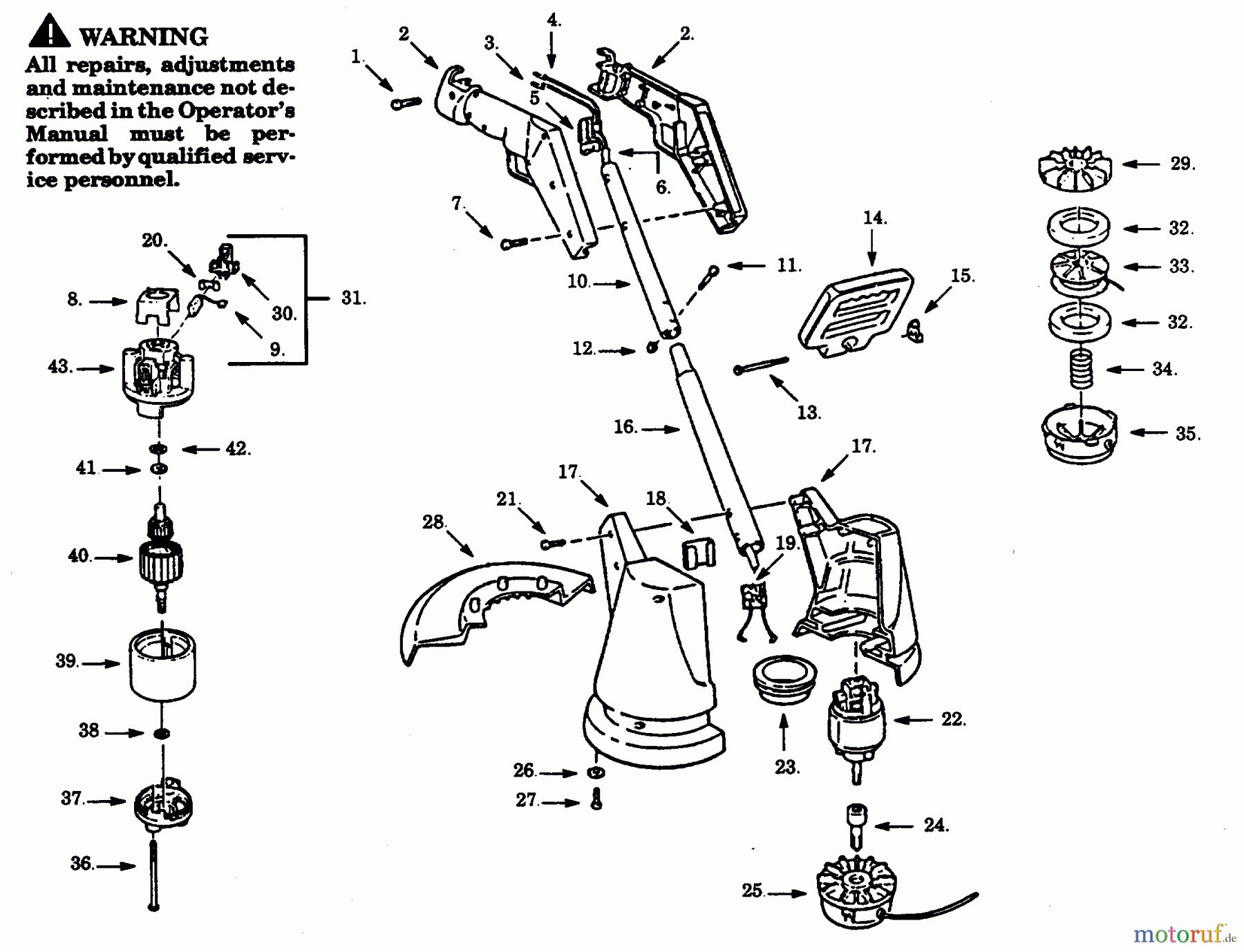
Hier finden Sie die Ersatzteilzeichnung für Poulan / Weed Eater Motorsensen, Trimmer PT140C-00 - Paramount Electric Trimmer TRIMMER/BRUSHCUTTER ASSEMBLY. Wählen Sie das benötigte Ersatzteil aus der Ersatzteilliste Ihres Poulan / Weed Eater Gerätes aus und bestellen Sie einfach online. Viele Poulan / Weed Eater Ersatzteile halten wir ständig in unserem Lager für Sie bereit.
| BildNr | Artikel Nummer | Bezeichnung | |
| 1 | 534826802 | ||
| 2 | 534826502 | ||
| 3 | 534827900 | ||
| 4 | 534825700 | ||
| 5 | 534193001 | ||
| 6 | 534829000 | ||
| 7 | 534826801 | ||
| 8 | 534226000 | ||
| 9 | 534227800 | ||
| 10 | 534828100 | ||
| 11 | 534829600 | ||
| 12 | 534828300 | ||
| 13 | 534828401 | ||
| 14 | 534282705 | ||
| 15 | 534828500 | ||
| 16 | 534828200 | ||
| 17 | 534271692 | ||
| 18 | 534337100 | ||
| 19 | 534336600 | ||
| 20 | 534228000 | ||
| 21 | 534790300 | ||
| 22 | 534768300 | ||
| 23 | 534487245 | ||
| 24 | 534659505 | ||
| 25 | 534659435 | ||
| 26 | 534828700 | ||
| 27 | 534826800 | ||
| 28 | 534379645 | ||
| 29 | 534487125 | ||
| 30 | 534227700 | ||
| 31 | 534450400 | ||
| 32 | 534 15 86-02 | DÄMPFER | |
| 33 | 952710508 | ||
| 34 | 534157401 | ||
| 35 | 534486475 | ||
| 36 | 534228703 | ||
| 37 | 534227601 | ||
| 38 | 534228800 | ||
| 39 | 534227004 | ||
| 40 | 534767700 | ||
| 41 | 534228802 | ||
| 42 | 534238903 | ||
| 43 | 534227501 | ||


Qualitätsmanagement
Informieren Sie uns, wenn Sie einen Fehler gefunden haben.

