Poulan / Weed Eater PT120-03 - Paramount Electric Trimmer TRIMMER ASSEMBLY Ersatzteile
TRIMMER ASSEMBLY PT120-03 - Paramount Electric Trimmer

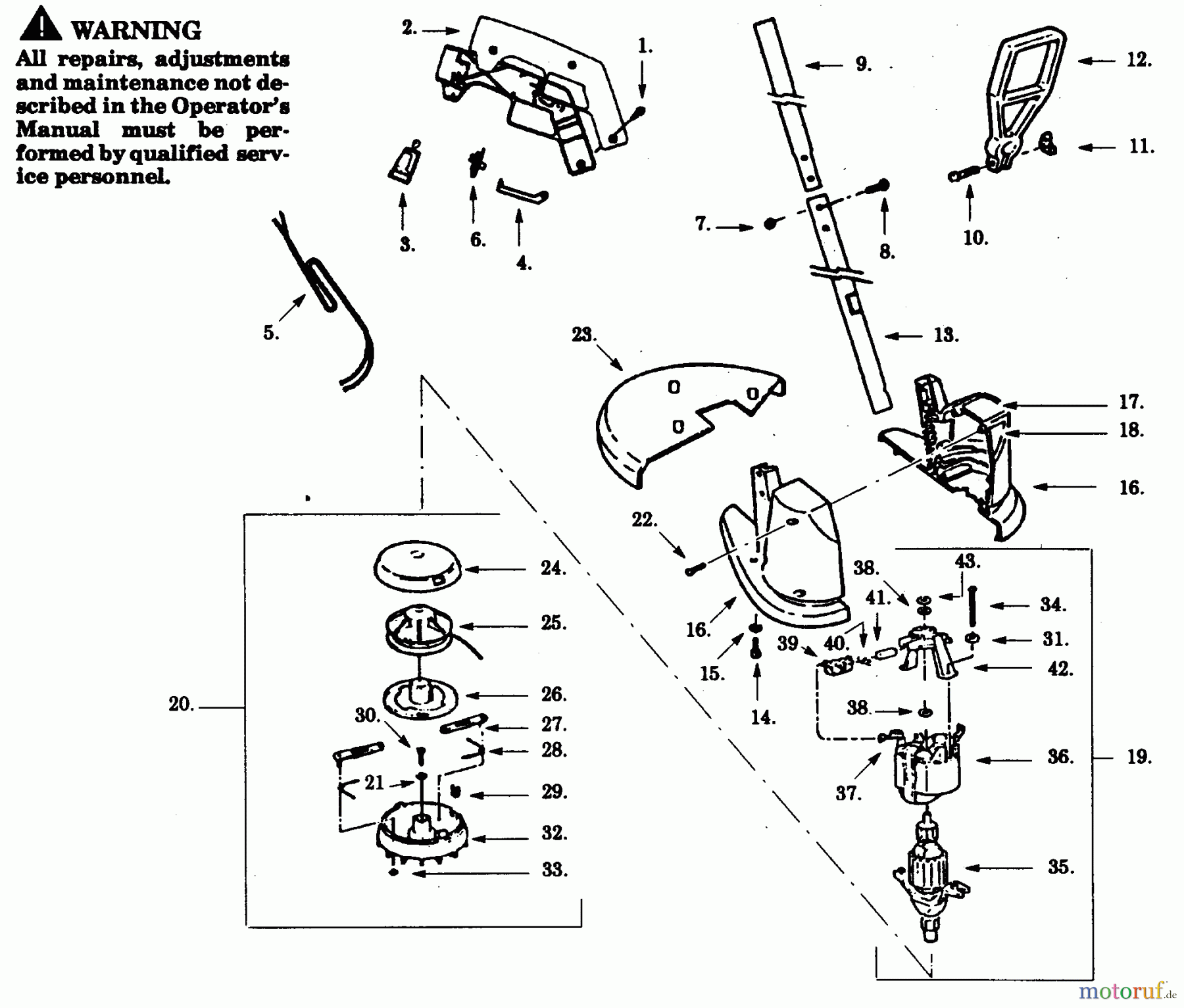
Hier finden Sie die Ersatzteilzeichnung für Poulan / Weed Eater Motorsensen, Trimmer PT120-03 - Paramount Electric Trimmer TRIMMER ASSEMBLY. Wählen Sie das benötigte Ersatzteil aus der Ersatzteilliste Ihres Poulan / Weed Eater Gerätes aus und bestellen Sie einfach online. Viele Poulan / Weed Eater Ersatzteile halten wir ständig in unserem Lager für Sie bereit.
| BildNr | Artikel Nummer | Bezeichnung | |
| 1 | 534193800 | ||
| 2 | 530351822 | ||
| 3 | 530347653 | ||
| 4 | 530 35 18-26 | GASHEBEL | |
| 5 | 534014601 | ||
| 6 | 530347897 | ||
| 7 | 530 40 30-94 | MUTTER | |
| 8 | 530346034 | ||
| 9 | 534500111 | ||
| 10 | 530625509 | ||
| 11 | 530400013 | ||
| 12 | 534036733 | ||
| 13 | 534014599 | ||
| 14 | 534193700 | ||
| 15 | 530015992 | ||
| 16 | 534014580 | ||
| 17 | 534036745 | ||
| 18 | 534036696 | ||
| 19 | 534968403 | ||
| 20 | 534918302 | ||
| 21 | 534908700 | ||
| 22 | 534193800 | ||
| 23 | 534368004 | ||
| 24 | 534919200 | ||
| 25 | 534919001 | ||
| 26 | 534100640 | ||
| 27 | 530400713 | ||
| 28 | 534908501 | ||
| 29 | 534918500 | ||
| 30 | 534978600 | ||
| 31 | 534520020 | ||
| 32 | 530400739 | ||
| 33 | 534400701 | ||
| 34 | 534500261 | ||
| 35 | 534981703 | ||
| 36 | 534367803 | ||
| 37 | 534927300 | ||
| 38 | 534494616 | ||
| 39 | 534260007 | ||
| 40 | 534570009 | ||
| 41 | 534200018 | ||
| 42 | 534872601 | ||
| 43 | 534246701 | ||
| 534068490 | |||
| 534061540 | |||
| 534014596 | |||


Qualitätsmanagement
Informieren Sie uns, wenn Sie einen Fehler gefunden haben.

