Poulan / Weed Eater PP196 - Poulan Pro String Trimmer Power Unit Ersatzteile
Power Unit PP196 - Poulan Pro String Trimmer

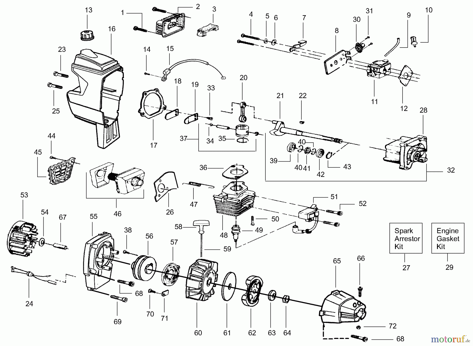
Hier finden Sie die Ersatzteilzeichnung für Poulan / Weed Eater Motorsensen, Trimmer PP196 - Poulan Pro String Trimmer Power Unit. Wählen Sie das benötigte Ersatzteil aus der Ersatzteilliste Ihres Poulan / Weed Eater Gerätes aus und bestellen Sie einfach online. Viele Poulan / Weed Eater Ersatzteile halten wir ständig in unserem Lager für Sie bereit.











