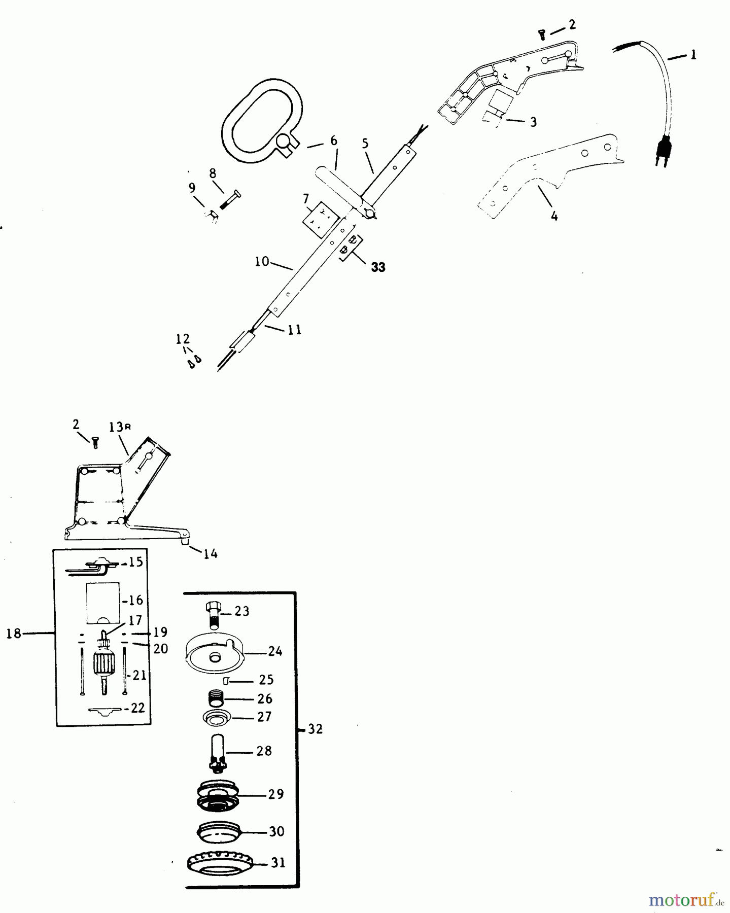
Poulan / Weed Eater 807-4 - Weed Eater Electric Trimmer TRIMMER ASSEMBLY Ersatzteile
TRIMMER ASSEMBLY 807-4 - Weed Eater Electric Trimmer

Hier finden Sie die Ersatzteilzeichnung für Poulan / Weed Eater Motorsensen, Trimmer 807-4 - Weed Eater Electric Trimmer TRIMMER ASSEMBLY. Wählen Sie das benötigte Ersatzteil aus der Ersatzteilliste Ihres Poulan / Weed Eater Gerätes aus und bestellen Sie einfach online. Viele Poulan / Weed Eater Ersatzteile halten wir ständig in unserem Lager für Sie bereit.
| BildNr | Artikel Nummer | Bezeichnung | |
| 1 | 530090866 | ||
| 2 | 530 09 08-27 | SCHRAUBE | |
| 3 | 530 09 08-24 | Schalter | |
| 4 | 530093618 | ||
| 5 | 530093186 | ||
| 6 | 530090884 | ||
| 7 | 530093201 | ||
| 8 | 530093617 | ||
| 9 | 530092049 | ||
| 10 | 530093737 | ||
| 11 | 530092731 | ||
| 12 | 530 09 08-76 | Anschluss | |
| 13 | 530093754 | ||
| 14 | 530 09 08-74 | Messer | |
| 15 | 530092714 | ||
| 16 | 530092715 | ||
| 17 | 530092716 | ||
| 18 | 530092717 | ||
| 19 | 530091333 | ||
| 20 | 530092718 | ||
| 21 | 530092719 | ||
| 22 | 530092721 | ||
| 23 | 530092726 | ||
| 24 | 530 09 26-73 | SCHUTZ | |
| 25 | 530092134 | ||
| 26 | 530 34 00-07 | FEDER | |
| 27 | 530 32 89-29 | ABDECKUNG | |
| 28 | 530 09 20-69 | ACHSGETRIEBE | |
| 29 | 7-025 09 | Filter Deckel pass.f.Tecumseh | |
| 30 | 530 40 11-83 | KNOPF | |
| 31 | 530 09 21-33 | DECKEL | |
| 32 | 530092728 | ||
| 33 | 530093202 | ||



