Poulan / Weed Eater 5602 - Paramount Cordless Trimmer TRIMMER ASSEMBLY Ersatzteile
TRIMMER ASSEMBLY 5602 - Paramount Cordless Trimmer

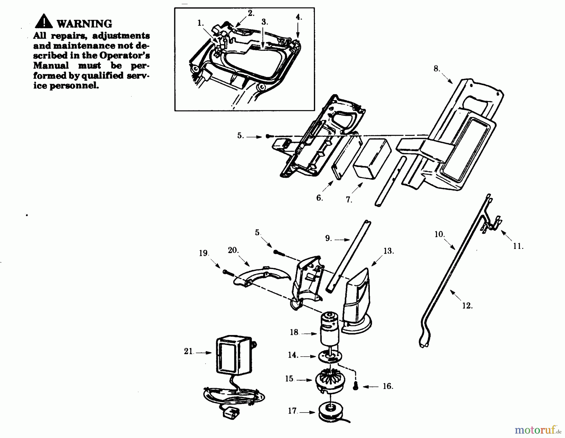
Hier finden Sie die Ersatzteilzeichnung für Poulan / Weed Eater Motorsensen, Trimmer 5602 - Paramount Cordless Trimmer TRIMMER ASSEMBLY. Wählen Sie das benötigte Ersatzteil aus der Ersatzteilliste Ihres Poulan / Weed Eater Gerätes aus und bestellen Sie einfach online. Viele Poulan / Weed Eater Ersatzteile halten wir ständig in unserem Lager für Sie bereit.


Qualitätsmanagement
Informieren Sie uns, wenn Sie einen Fehler gefunden haben.

