Poulan / Weed Eater 2610 - Weed Eater String Trimmer STARTER & SHROUDS Ersatzteile
STARTER & SHROUDS 2610 - Weed Eater String Trimmer

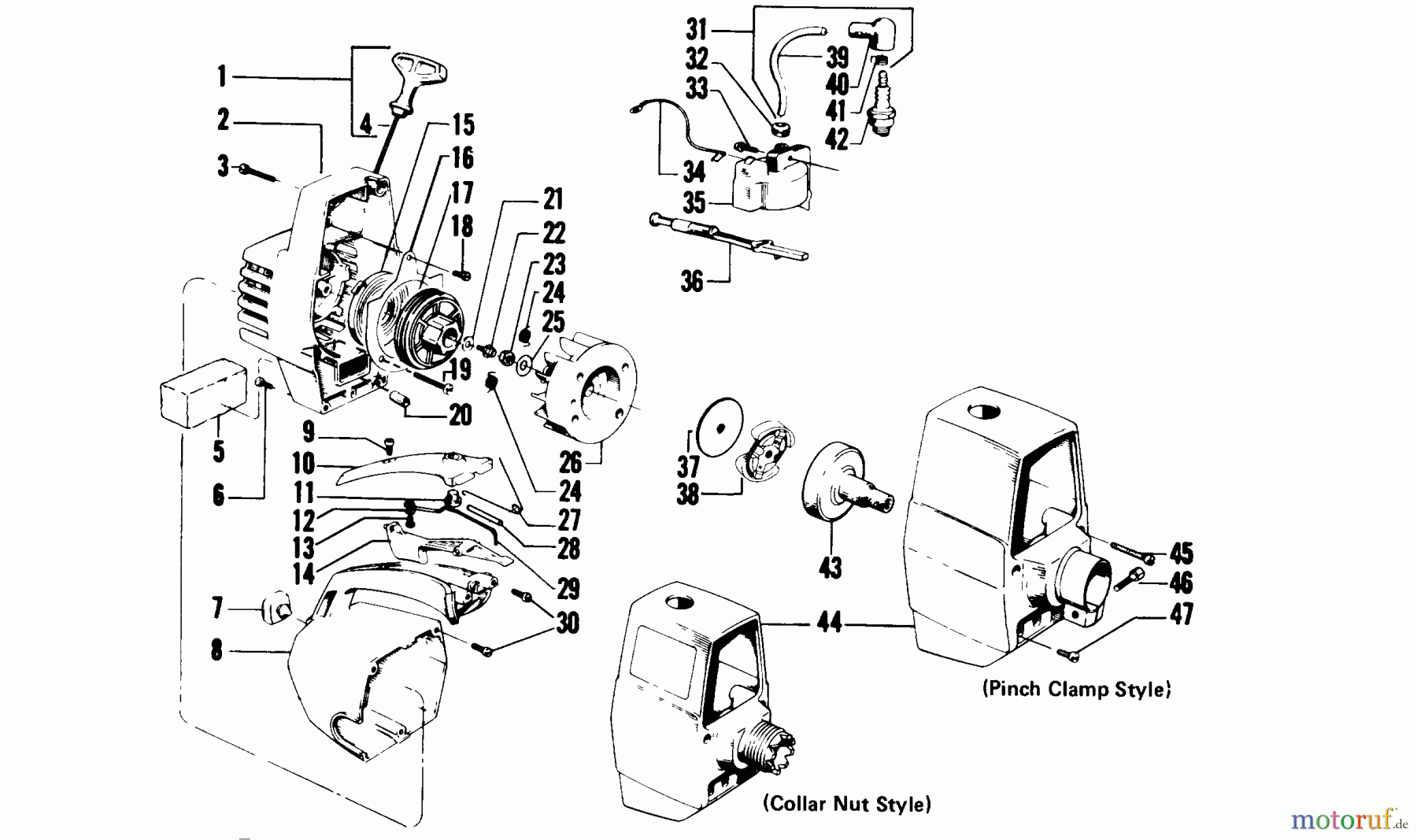
Hier finden Sie die Ersatzteilzeichnung für Poulan / Weed Eater Motorsensen, Trimmer 2610 - Weed Eater String Trimmer STARTER & SHROUDS. Wählen Sie das benötigte Ersatzteil aus der Ersatzteilliste Ihres Poulan / Weed Eater Gerätes aus und bestellen Sie einfach online. Viele Poulan / Weed Eater Ersatzteile halten wir ständig in unserem Lager für Sie bereit.




