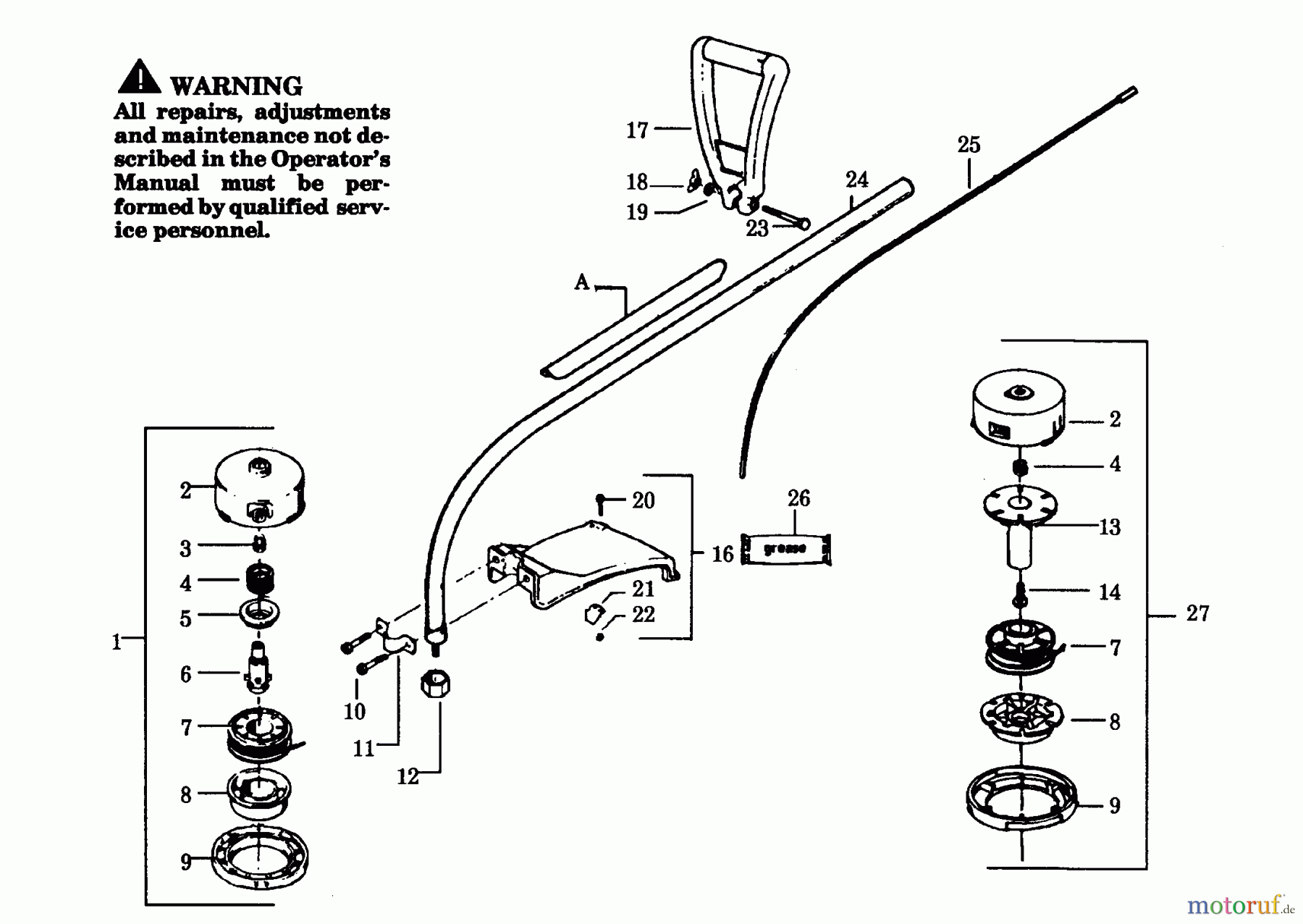
Poulan / Weed Eater 1600 - Weed Eater String Trimmer CUTTING HEAD & DRIVE SHAFT Ersatzteile
CUTTING HEAD & DRIVE SHAFT 1600 - Weed Eater String Trimmer

Hier finden Sie die Ersatzteilzeichnung für Poulan / Weed Eater Motorsensen, Trimmer 1600 - Weed Eater String Trimmer CUTTING HEAD & DRIVE SHAFT. Wählen Sie das benötigte Ersatzteil aus der Ersatzteilliste Ihres Poulan / Weed Eater Gerätes aus und bestellen Sie einfach online. Viele Poulan / Weed Eater Ersatzteile halten wir ständig in unserem Lager für Sie bereit.


Qualitätsmanagement
Informieren Sie uns, wenn Sie einen Fehler gefunden haben.

